Unersetzlich.com
Home
Kontakt
Versand
Gästebuch
AGB
Impressum
NEUGERÄTE
WOLF-Garten Sortiment
ERSATZTEILE
Ersatzteile für WOLF-Garten Geräte online bestellen
Katalog
WOLF-Garten Expert Ersatzteile
SERVICE
Recherche
Mein Konto
Einloggen
Registrieren
Computer
WOLF-Garten Expert
Übersicht
WOLF-Garten Expert
Rasentraktoren
E 13/92 T
13I2765E650 (2017)
Keilriemenschutz Mähwerk E (36"/92cm)
Keilriemenschutz Mähwerk E (36"/92cm) 13I2765E650 (2017)
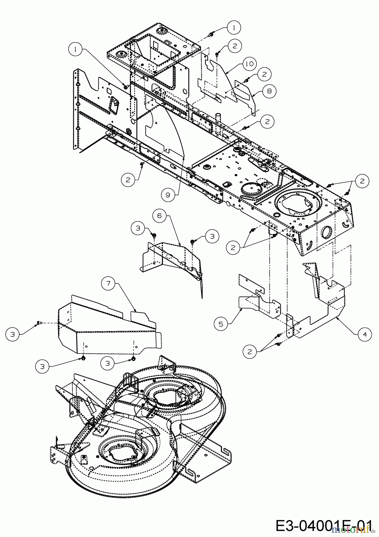
BildNr
Artikel Nummer
Bezeichnung
1
710-04484
6KT-SCHRAUBE:TT:5/16-18:.750
2
710-0599
6KT-SCHRAUBE:TT:1/4-20:0.500
3
710-0607
6KT-SCHR:TT:5/16-18:0.500:HXIN
4
783-05998
ABDECKUNG1 FRANCE:LT-5:E-DECK
5
783-05999
ABDECKUNG2 FRANCE:LT-5:E-DECK
6
783-06000
ABDECKUNG3 FRANCE:LT-5:E-DECK
7
783-06001A
ABDECKUNG4 FRANCE:E-DECK:RECHT
8
783-06084
ABDECKUNG2:GETRIEBE:AUTO:LINKS
9
783-06676
ABDECKUNG:GETRIEBE:RS:N-DECK
10
783-05994A-S
ABDECKUNG:GETRIEBE:LINKS:LT-5
Qualitätsmanagement
Informieren Sie uns, wenn Sie einen Fehler gefunden haben.