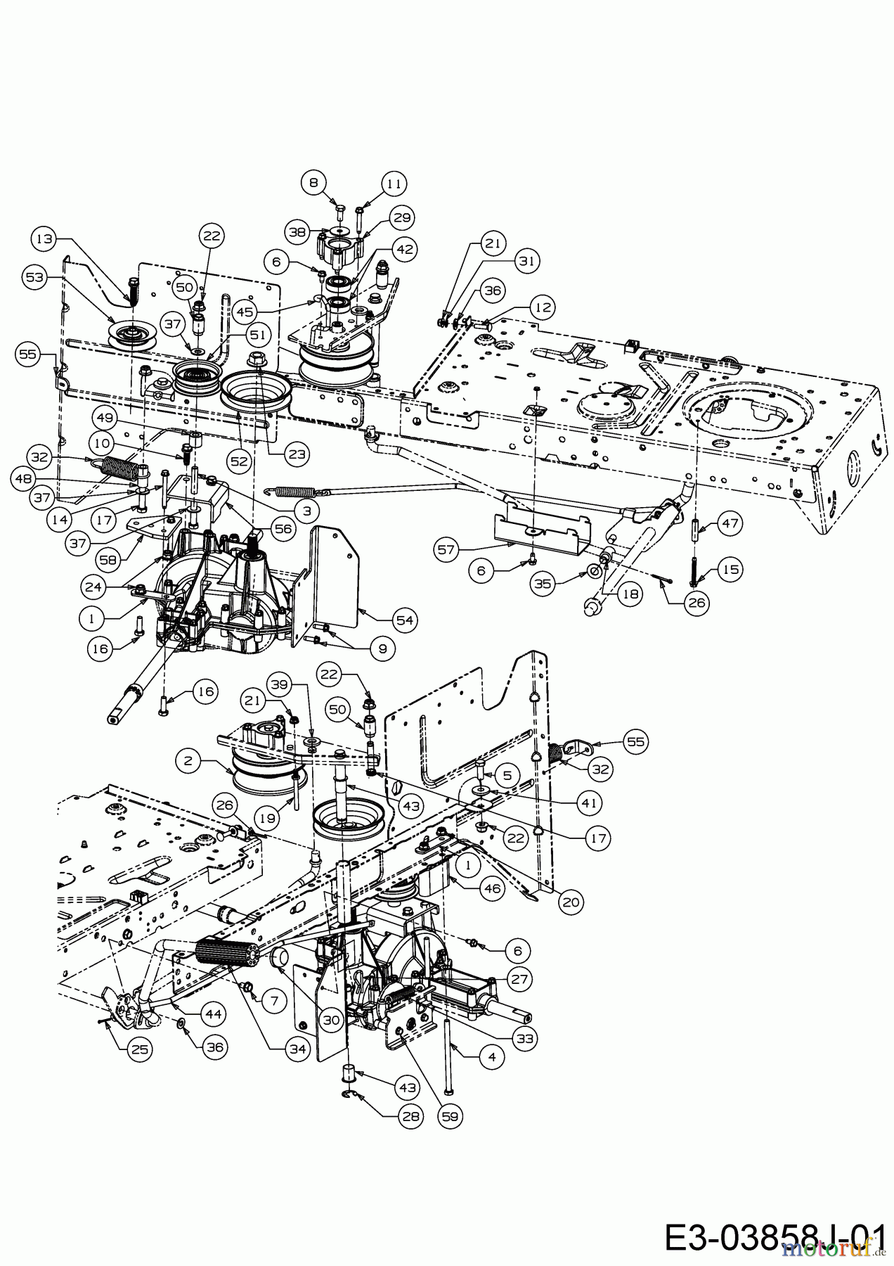
WOLF-Garten Expert

Fahrantrieb, Variator 13I2765E650 (2017)

 WOLF-Garten Expert Rasentraktoren E 13/92 T 13I2765E650  (2017) Fahrantrieb, Variator
BildNrArtikel NummerBezeichnung
1 17840VERSTEIFUNGSPLATTE
2 WOLF-Garten Expert RIEMENSCHEIBE VST:VAR SPD:4.75656-04015BRIEMENSCHEIBE VST:VAR SPD:4.75
3 710-04116KT-SCHR:3/8-16:4.00:GR5:STD
4 710-044696KT-SCHR:5/16-18x5.00:GR5:STD
5 WOLF-Garten Expert 6KT-SCHR:3/8-16:1.00:GR5:STD710-05146KT-SCHR:3/8-16:1.00:GR5:STD
6 WOLF-Garten Expert 6KT-SCHRAUBE:TT:1/4-20:0.500710-05996KT-SCHRAUBE:TT:1/4-20:0.500
7 WOLF-Garten Expert 6KT-SCHRAUBE:TT:5/16-18:0.625710-0604A6KT-SCHRAUBE:TT:5/16-18:0.625
8 WOLF-Garten Expert 6KT-SCHR:5/16-24:.750 GR5:LOCK710-06276KT-SCHR:5/16-24:.750 GR5:LOCK
9 WOLF-Garten Expert 6KT-BLECHSCHR:TT:1/4-20:0.750710-06426KT-BLECHSCHR:TT:1/4-20:0.750
10 WOLF-Garten Expert 6KT-SCHR.:TTSEMS:3/8-16:1.000710-0654A6KT-SCHR.:TTSEMS:3/8-16:1.000
11 WOLF-Garten Expert 6KT-SCHRAUBE:TT:1/4-20:1.500710-07786KT-SCHRAUBE:TT:1/4-20:1.500
12 710-0932AFL-RD SCHRAUBE:1/4-20:1.00:GR5
13 WOLF-Garten Expert 6KT-SCHR:TTSEMS:3/8-16:1.500:710-10076KT-SCHR:TTSEMS:3/8-16:1.500:
14 WOLF-Garten Expert 6KT-SCHRAUBE:TT:1/4-20:2.375710-12066KT-SCHRAUBE:TT:1/4-20:2.375
15 WOLF-Garten Expert 6KT-SCHR:TT:1/4-20:1.750:HXIND710-10266KT-SCHR:TT:1/4-20:1.750:HXIND
16 710-16826KT-SCHRAUBE:M8x25 DIN 933-8.8
17 WOLF-Garten Expert 6KT-SCHR.3/8-16:2.00:GR5:STD710-31446KT-SCHR.3/8-16:2.00:GR5:STD
18 WOLF-Garten Expert SPINDELMUTTER:1/2-20 x.500 DIA711-04036SPINDELMUTTER:1/2-20 x.500 DIA
19 711-04826KEILRIEMENFÜHRUNG:Ò.25 x2.35LG
20 WOLF-Garten Expert 6KT-BUNDMUTTER:5/16-18:NYLON712-040636KT-BUNDMUTTER:5/16-18:NYLON
21 WOLF-Garten Expert 6KT-BUNDMUTTER:1/4-20:NYLON712-040646KT-BUNDMUTTER:1/4-20:NYLON
22 WOLF-Garten Expert S-6KT-BUNDMUTTER 3/8-16:NYLON712-04065S-6KT-BUNDMUTTER 3/8-16:NYLON
23 WOLF-Garten Expert 6KT-BUNDMUTTER:9/16-18:GR2712-07006KT-BUNDMUTTER:9/16-18:GR2
24 712-07146KT-BUNDMUTTER M8-1.25:DIN6926
25 WOLF-Garten Expert SPLINT:3/32 x 1.0"714-0111SPLINT:3/32 x 1.0"
26 WOLF-Garten Expert SPLINT:1/8 x 1.0"714-0115SPLINT:1/8 x 1.0"
27 714-0209ZIEHSPLINT: .125 DIA
28 WOLF-Garten Expert S-RING:E-TYPE: .625 DIA WELLE716-0106AS-RING:E-TYPE: .625 DIA WELLE
29 WOLF-Garten Expert LAGERTOPF:GEHÄRTET718-04261LAGERTOPF:GEHÄRTET
30 WOLF-Garten Expert AUFDRUCKKAPPE:.625 DIA726-0214AUFDRUCKKAPPE:.625 DIA
31 726-0233DRUCKSCHEIBE:.25 ID X .50 OD
32 WOLF-Garten Expert ZUGFEDER:1.00 DIA x 3.925 LG732-04505ZUGFEDER:1.00 DIA x 3.925 LG
33 WOLF-Garten Expert ZUGFEDER: .59 OD x 4.00 LG732-0716DZUGFEDER: .59 OD x 4.00 LG
34 WOLF-Garten Expert PEDALGUMMI:RUND:GERILLT:4.0 LG735-0239PEDALGUMMI:RUND:GERILLT:4.0 LG
35 WOLF-Garten Expert SCHEIBE:FL:.510 x 1.000 x.060736-0272SCHEIBE:FL:.510 x 1.000 x.060
36 736-0275SCHEIBE:FL:.344 x .688 x .065
37 WOLF-Garten Expert SCHEIBE:FLACH:.406 x.875 x.059736-0300SCHEIBE:FLACH:.406 x.875 x.059
38 WOLF-Garten Expert FL-SCHEIBE:.330 x 1.25 x.06:HD736-0362FL-SCHEIBE:.330 x 1.25 x.06:HD
39 736-3019FL-SCHEIBE:.531x1.062x.134:HD
41 WOLF-Garten Expert BUNDSCHEIBE:0.381x0.625x0.169738-0347BUNDSCHEIBE:0.381x0.625x0.169
42 741-0124AKUGELLAGER:17x40x12:6203
43 WOLF-Garten Expert FLANSCHLAGER.630IDx.693ODx.875741-0591FLANSCHLAGER.630IDx.693ODx.875
44 747-04815CBREMSSTANGE:HECKAUSWURF:LT-5
45 WOLF-Garten Expert RIEMENFÜHRUNG:FWD:RR DIS:LT-5747-04897DRIEMENFÜHRUNG:FWD:RR DIS:LT-5
46 748-04175DISTANZSTÜCK:T-ACHSE 1.82
47 WOLF-Garten Expert DISTANZSTÜCK:0.255x0.376x1.420750-04456DISTANZSTÜCK:0.255x0.376x1.420
48 750-04584HÜLSE:.375ID x.625OD x 1.34 LG
49 750-04988DISTANZSTÜCK:Ò20mmx10mmx18mm
50 750-05521ALAGBERBUCHSE:18mm ODx9,8mm ID
51 WOLF-Garten Expert SPANNROLLE:FLACH: 2.75 OD756-04224SPANNROLLE:FLACH: 2.75 OD
52 WOLF-Garten Expert RIEMENSCHEIBE:5.00 DIA x 5/16756-04298RIEMENSCHEIBE:5.00 DIA x 5/16
53 WOLF-Garten Expert UMLENKROLLE V-TYPE 5LX3.06DIA756-04324UMLENKROLLE V-TYPE 5LX3.06DIA
54 783-05705637GETRIEBETRÄGER
55 783-05844-ZFEDERHALTER:VERZINKT
56 783-05855637STÜTZBLECH GETRIEBE
57 783-05882637FÜHRUNGSBLECH:FWD:RR DIS LT-5
58 783-1363MONTAGEPLATTE-GETRIEBE
59 WOLF-Garten Expert 6KT-SCHRAUBE:TT:1/4-20:2.375710-12066KT-SCHRAUBE:TT:1/4-20:2.375
Bankeinzug, MasterCard, Visa, American Express, PayPal, Nachnahme, Vorauskasse, Sofortüberweisung
Qualitätsmanagement
Informieren Sie uns, wenn Sie einen Fehler gefunden haben.