WOLF-Garten Expert
Schaltplan Elektromagnetkupplung 13BDA1VB650 (2017)

| BildNr | Artikel Nummer | Bezeichnung | |
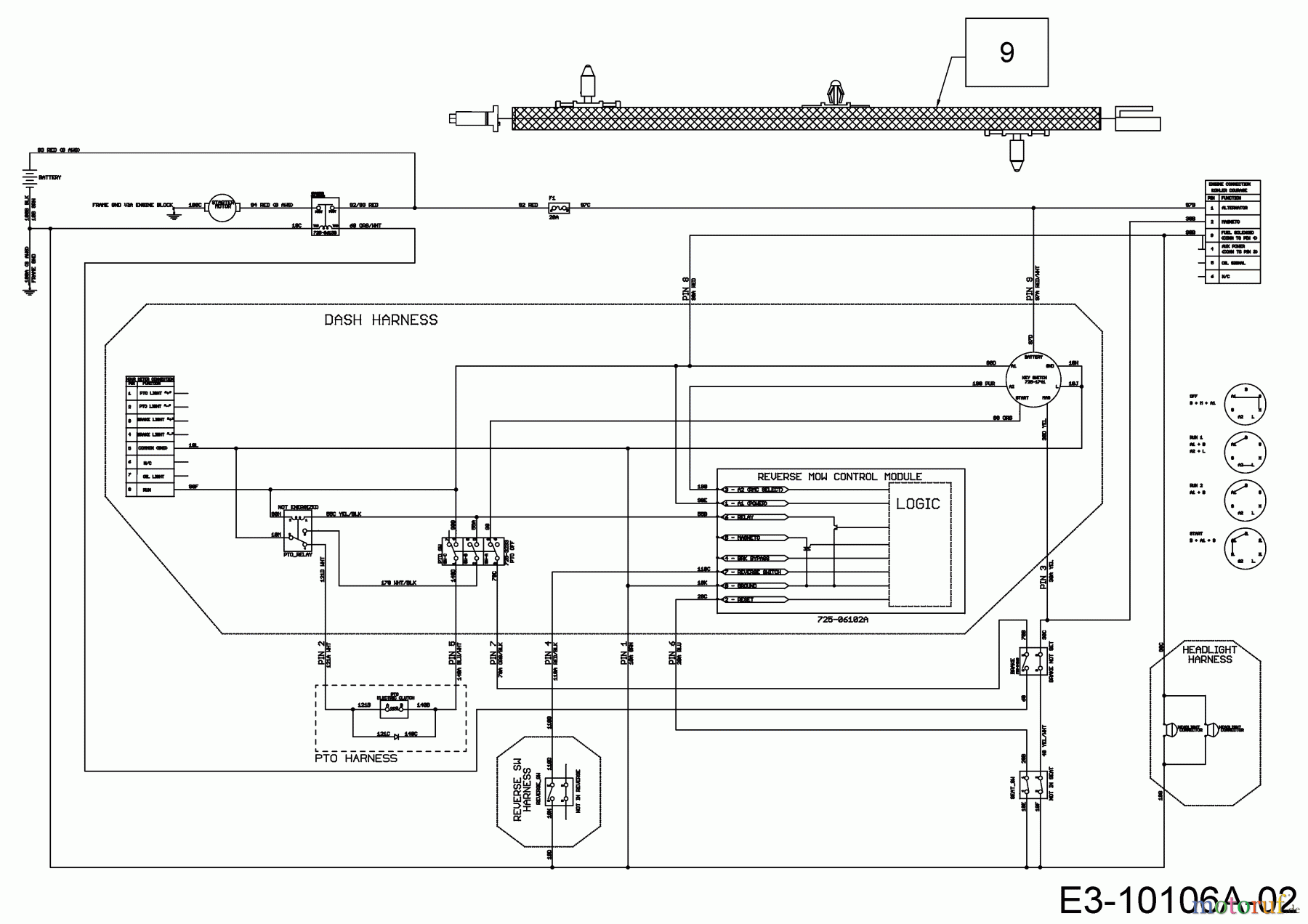
| 9 | 725-06173 | KABELBAUM (DRAHTBRÜCKE) EPTO | |


Qualitätsmanagement
Informieren Sie uns, wenn Sie einen Fehler gefunden haben.
| BildNr | Artikel Nummer | Bezeichnung | |
| 9 | 725-06173 | KABELBAUM (DRAHTBRÜCKE) EPTO | |

