Unersetzlich.com
Gartengeräte und Ersatzteile
Einkaufswagen
leer
Mein Konto
Einloggen
Registrieren
Home
Kontakt
Versand
Gästebuch
AGB
Impressum
NEUGERÄTE
WOLF-Garten Sortiment
ERSATZTEILE
Ersatzteile für WOLF-Garten Geräte online bestellen
Katalog
WOLF-Garten Expert Ersatzteile
SERVICE
Recherche
Mobilversion
WOLF-Garten Expert
Übersicht
WOLF-Garten Expert
Rasentraktoren
GLTT 165.95 H
13BDA1VB650 (2017)
Motorzubehör
Motorzubehör 13BDA1VB650 (2017)
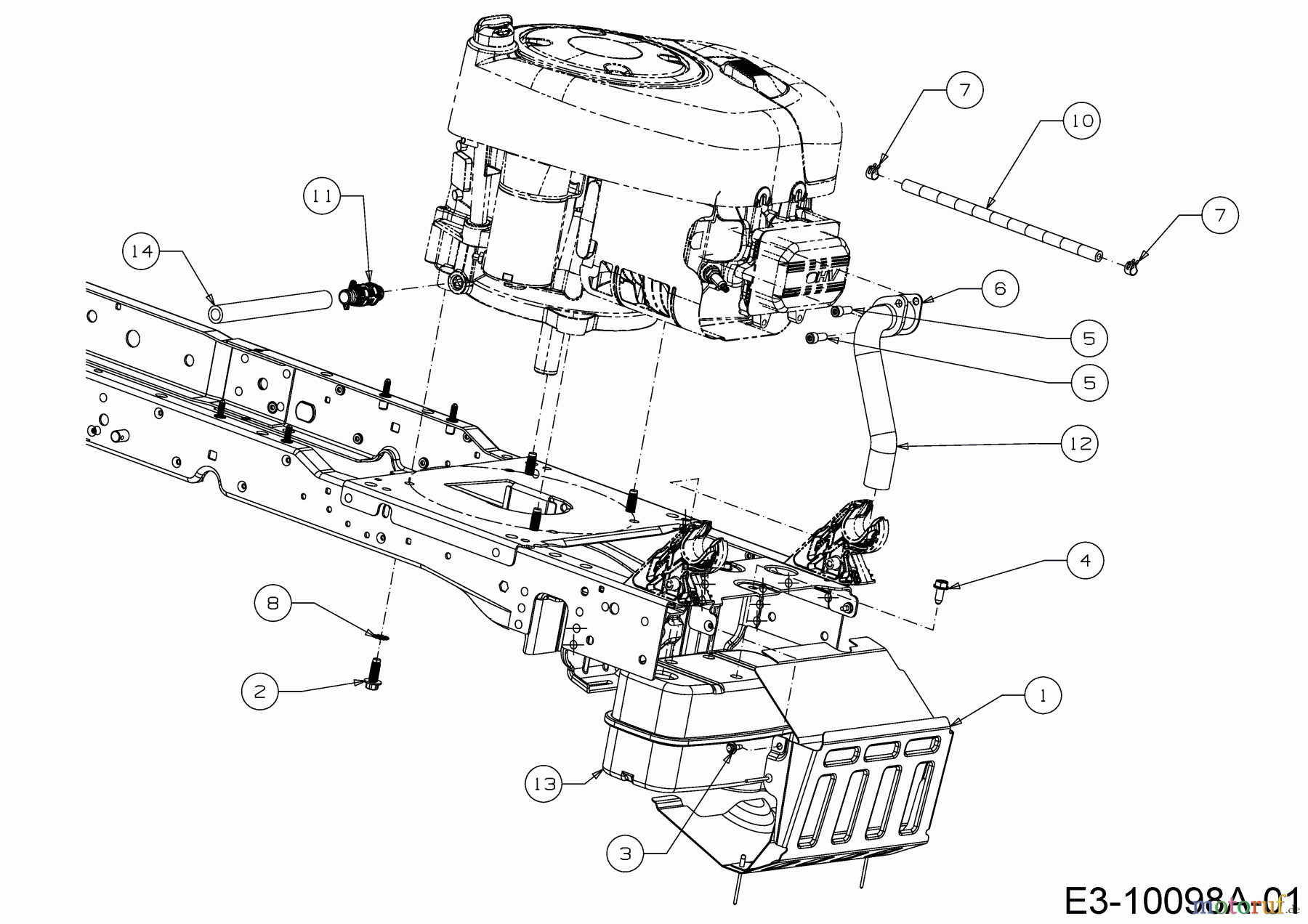
BildNr
Artikel Nummer
Bezeichnung
1
683-05142A
HITZESCHILD VST:SCHALLDÄMPFER
2
710-04683C
6KT-SCHRAUBE:TT:3/8-16:1.000
3
710-06133
6KT-SCHR:TAP:CF:M6-1 x.660"
4
710-06256
6KT-SCHRAUBE:TT:M8-1.25 x.750
5
710-1314A
INNEN-6KT-SCHR:5/16-18:.75:GR8
6
721-0208
DICHTUNG (AUSPUFF)
7
726-0205
SCHLAUCHKLEMME: .490 DIA
8
736-0148
ZAHNSCHEIBE:3/8
10
751-10349
KRAFTSTOFFSCHLAUCH:DURCHGANG
11
751-10517A
ÖLABLASSSTUTZEN MIT KAPPE
12
751-14477
ABGASROHR:B&S SINGLE
13
751-14504A
SCHALLDÄMPFER:SINGLE:MIT
14
751-3141
PVC-SCHLAUCH:GLASKLAR:ÖLABLASS