Unersetzlich.com
Home
Kontakt
Versand
Gästebuch
AGB
Impressum
NEUGERÄTE
WOLF-Garten Sortiment
ERSATZTEILE
Ersatzteile für WOLF-Garten Geräte online bestellen
Katalog
WOLF-Garten Expert Ersatzteile
SERVICE
Recherche
Mein Konto
Einloggen
Registrieren
Computer
WOLF-Garten Expert
Übersicht
WOLF-Garten Expert
Rasentraktoren
95.165 H
13CDA1VB650 (2018)
Elektroteile
Elektroteile 13CDA1VB650 (2018)
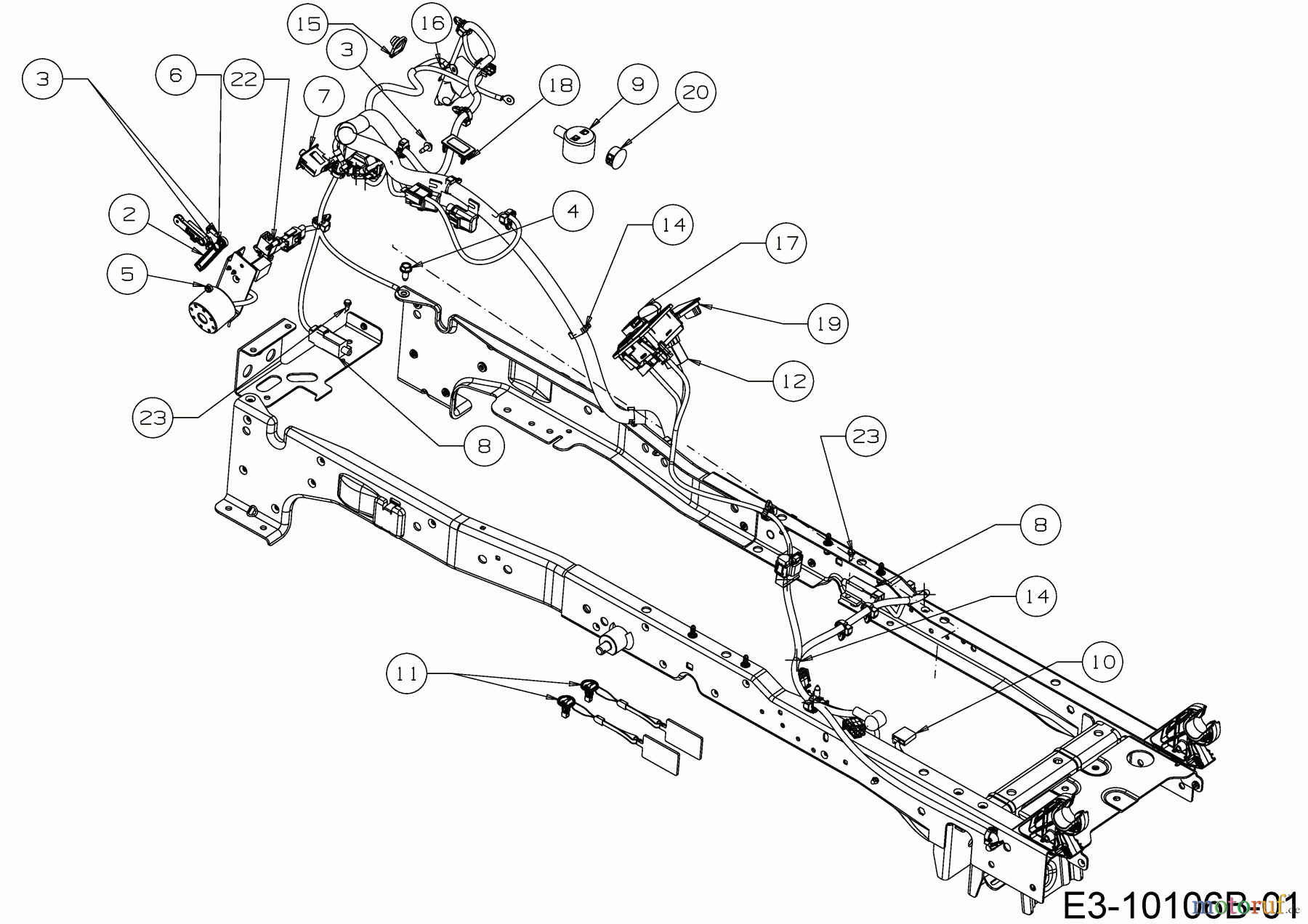
BildNr
Artikel Nummer
Bezeichnung
1
625-05154A
FÜLLSTANDSANZEIGE:AUD:PTO OFF
2
631-05670
SCHALTRASTE:ADJ:GRSBG GEFÜLLT
3
710-06133
6KT-SCHR:TAP:CF:M6-1 x.660"
4
710-06256
6KT-SCHRAUBE:TT:M8-1.25 x.750
5
712-0161
6KT-S-MUTTER:#10-24:GR2:NYLON
6
720-05174
RÄNDELSCHRAUBE:M3-0,5mm:Ò5:BLK
7
725-04165
KONTAKTSCHALTER:NEUTRAL
8
725-04363
KONTAKTSCHALTER:NO/NC:4 POLIG
9
725-04532
SCHUTZKAPPE F.POLKLEMME ROT
10
725-06173
KABELBAUM (DRAHTBRÜCKE) EPTO
11
725-06779B
ZÜNDSCHLÜSSEL:PBS
12
725-06994
KABELBAUM:NX15RD:EPTO:PBS:DLR:
13
725-07007
MODUL:BT:PBS (BLUETOOTH)
14
725-07449
HAUPTKABELBAUM:NX15RD:EPTO:PBS
15
725-1700
ABDECKKAPPE:SCHALTER
16
725-3166
KONTAKTSCHALTER:GRASFANGSACK
17
725-3233A
ZUGSCHALTER:PTO:ZUGKNOPF GELB:
18
731-04010
ABDECKUNG:SCHALTER:PTO
19
731-11495
VERSCHLUSSKAPPE:ARMATURENBRETT
20
731-13070
KUNSTSTOFFSTOPFEN:Ò1.125:BLACK
21
731-13470
SCHALTRASTE:ADJ:GRSBG GEFÜLLT
22
738-04135
SCHULTERSCHRAUBE:.25x.50:10-24
23
738-04237A
SCHULTERSCHR:T:#10-32:.500
Qualitätsmanagement
Informieren Sie uns, wenn Sie einen Fehler gefunden haben.