WOLF-Garten Expert

Mähwerk B (37"/95cm) 13CDA1VB650 (2018)

 WOLF-Garten Expert Rasentraktoren 95.165 H 13CDA1VB650  (2018) Mähwerk B (37
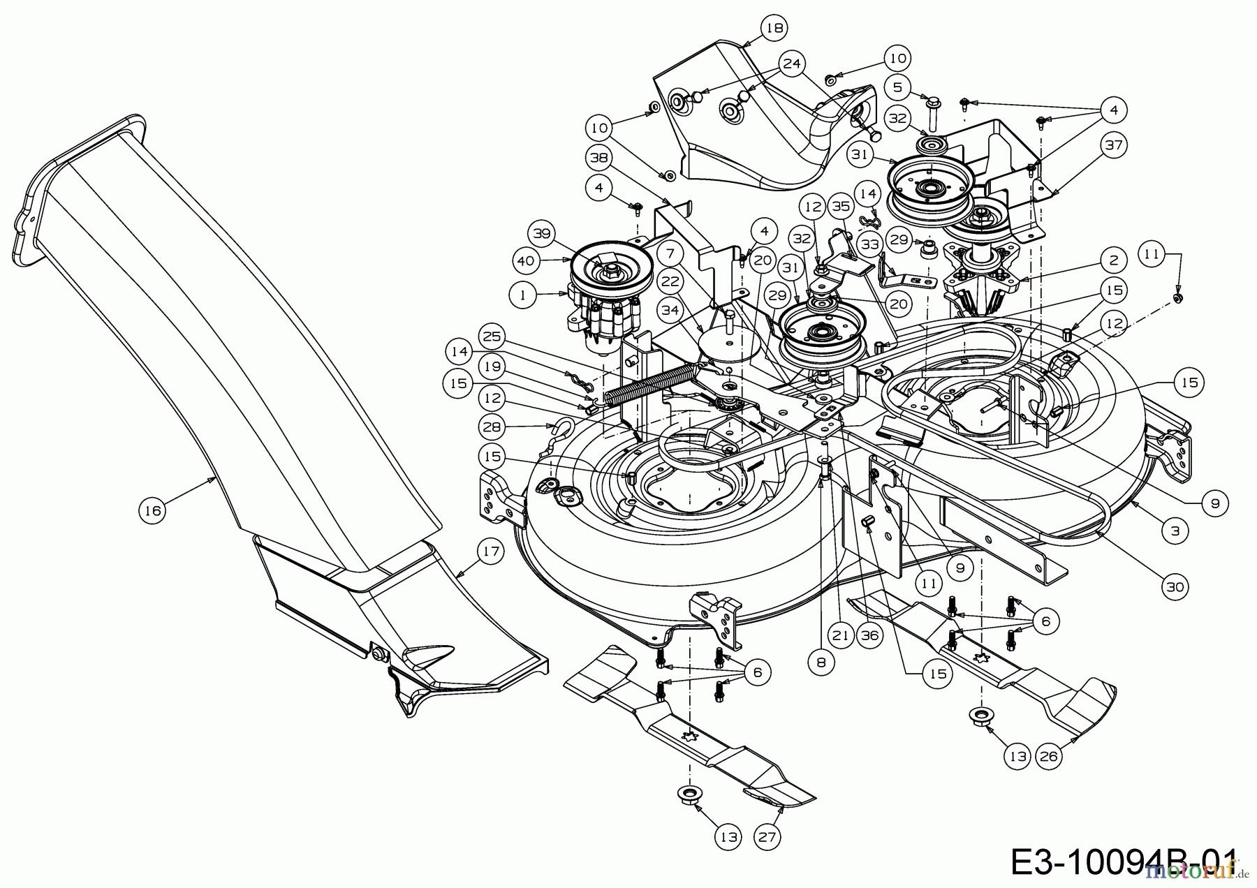
BildNrArtikel NummerBezeichnung
1 618-07257AETGETRIEBE(GEARBOX)VST:DECK 105
2 618-07286MESSERSPINDEL VOLLST:
3 683-05316637MÄHDECK VOLLST:95cm:NX15-RD
4 710-061336KT-SCHR:TAP:CF:M6-1 x.660"
5 710-061786KT-SCHR:SEMS:3/8-16x2.00:GR8
6 WOLF-Garten Expert 6KT-SCHRAUBE:TT:5/16-18:0.875710-063226KT-SCHRAUBE:TT:5/16-18:0.875
7 WOLF-Garten Expert 6KT-SCHR:3/8-16:1.25:GR5:STD710-30056KT-SCHR:3/8-16:1.25:GR5:STD
8 710-30116KT-SCHR:3/8-16:2.25:GR5:STD
9 711-0993KEILRIEMENFÜHRUNG:Ò1/4 x 1.43
10 WOLF-Garten Expert 6KT-BUNDMUTTER:5/16-18:NYLON712-040636KT-BUNDMUTTER:5/16-18:NYLON
11 WOLF-Garten Expert 6KT-BUNDMUTTER:1/4-20:NYLON712-040646KT-BUNDMUTTER:1/4-20:NYLON
12 WOLF-Garten Expert 6KT-BUNDMUTTER:3/8-16:GRF:LOCK712-042176KT-BUNDMUTTER:3/8-16:GRF:LOCK
13 WOLF-Garten Expert 6KT-BUNDMUTTER:5/8-18:GR2712-051346KT-BUNDMUTTER:5/8-18:GR2
14 WOLF-Garten Expert FEDERSTECKER:7/16"-1/2"714-05005FEDERSTECKER:7/16"-1/2"
15 728-05012NIETMUTTER:LOCK:5/16-18
16 731-12153AUSWURFKANAL:VERLÄNGERUNG
17 731-12210AUSWURFKANAL:DECK:BASISAUSF.
18 731-12338LEITSTÜCK(ZUNGE):95cm DECK
19 732-04960ZUGFEDER:.94 OD x 7.57"LG:ZINC
20 WOLF-Garten Expert SCHEIBE:FLACH:.385x1.000x.135736-0258SCHEIBE:FLACH:.385x1.000x.135
21 736-04481TELLERFEDER:.375 x.870 x.63
22 736-05125ASCHEIBE:FLACH:.385x3.75x.120
24 738-04033SCHULTERSCHR:.428x.160:5/16-18
25 738-05099DISTANZSTÜCK:m.BUND:.854 x.191
26 WOLF-Garten Expert PROPELLERMESSER:CW:19.18":95cm742-05255PROPELLERMESSER:CW:19.18":95cm
27 WOLF-Garten Expert PROPELLERMESSER:CCW:19.18":95742-05256PROPELLERMESSER:CCW:19.18":95
28 747-06373FEDERHAKEN:1.30"
29 WOLF-Garten Expert BUNDBUCHSE:SPANNROLLE748-05029ABUNDBUCHSE:SPANNROLLE
30 754-05159KEILRIEMEN:V TYP:A SEC x90.95"
31 WOLF-Garten Expert SPANNROLLE: Ò 4.50"756-05034ASPANNROLLE: Ò 4.50"
32 WOLF-Garten Expert ABDECKBLECH:RND:SPANNROLLE:HD783-08389ABDECKBLECH:RND:SPANNROLLE:HD
33 783-08690A-SKEILRIEMENFÜHRUNG:WINKELBLECH
34 783-09179-ZBL:SPANNROLLENTRÄGER:VERZINKT
35 783-09341-ZRIEMENFÜHRUNG:SPANNRLE:VERZ.
36 783-09362BLECH:KEILRIEMENFÜHRUNG
37 783-09375637BL:KEILRIEMENFÜHRUNG:95:LINKS
38 783-09376637BL:KEILRIEMENFÜHRUNG:95:RECHTS
39 WOLF-Garten Expert 6KT-BUNDMUTTER:5/8-18:GR2712-051346KT-BUNDMUTTER:5/8-18:GR2
40 756-05242KEILRIEMENSCHEIBE:DECK:4.970OD
Bankeinzug, MasterCard, Visa, American Express, PayPal, Nachnahme, Vorauskasse, Sofortüberweisung
Qualitätsmanagement
Informieren Sie uns, wenn Sie einen Fehler gefunden haben.