WOLF-Garten Expert

Heckplatte, Sperrklinken 13BAA1VR650 (2018)

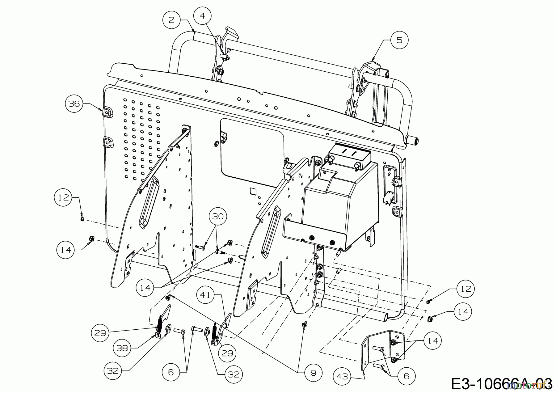
 WOLF-Garten Expert Rasentraktoren 106.220 H 13BAA1VR650  (2018) Heckplatte, Sperrklinken
BildNrArtikel NummerBezeichnung
1 649-05113637RAHMENSTÜTZE VOLLST:BAG
2 649-05144A-ZBÜGEL VS:ELEKTR.GRSBG:VERZINKT
3 683-05400637LAGERPLATTE:ELEKTR GRSBG-ENT-
4 683-05450A-ZAUFNAHME-RE.VST:GRSBG:VERZINKT
5 681-05451A-Z
6 WOLF-Garten Expert 6KT-SCHR:5/16-18:1.00:GR5:STD710-03766KT-SCHR:5/16-18:1.00:GR5:STD
7 710-040436KT-SCHR/FLG:5/16-18:0.75:GR5
8 WOLF-Garten Expert 6KT-SCHR:FLG:3/8-16:.875:GR5710-044826KT-SCHR:FLG:3/8-16:.875:GR5
9 710-061336KT-SCHR:TAP:CF:M6-1 x.660"
10 710-16826KT-SCHRAUBE:M8x25 DIN 933-8.8
11 711-05217ABSTECKBOLZEN:.500 X 2.00
12 WOLF-Garten Expert 6KT-S-MUTTER:#10-24:GR2:NYLON712-01616KT-S-MUTTER:#10-24:GR2:NYLON
13 712-02986KT-MUTTER:1/4-20:GR2
14 WOLF-Garten Expert 6KT-BUNDMUTTER:5/16-18:NYLON712-040636KT-BUNDMUTTER:5/16-18:NYLON
15 WOLF-Garten Expert 6KT-BUNDMUTTER:1/4-20:NYLON712-040646KT-BUNDMUTTER:1/4-20:NYLON
16 712-07146KT-BUNDMUTTER M8-1.25:DIN6926
17 712-3005S-MUTTER M.FLANSCH:3/8-16:GR5
18 WOLF-Garten Expert FEDERSTECKER:7/16"-1/2"714-05005FEDERSTECKER:7/16"-1/2"
19 716-0171SICHERUNGSRING FÜR WELLEN
20 720-05137STERNGRIFF:1/4-20:1.38"DIA:BLK
21 721-04924DICHTUNG:SCHAUMSTOFF:.125"DICK
22 725-07203ELEKTROZYLINDER:8.5" HUB
23 726-04047KABELBINDER 11.15" LG (283mm)
24 726-04055KABELBINDER:3.6x140 mm:schwarz
25 728-04016BLINDNIET:3/16 x .325:STAHL
26 728-050156KT-NIETBOLZEN:1/4-20 x .750
27 731-08631-3SCHUTZHÜLLE ZÜNDKABEL
28 731-13262BATTERIEKASTEN:NX15-RD
29 732-05550ZUGFEDER:.380 OD x 2.500 LG
30 738-04135SCHULTERSCHRAUBE:.25x.50:10-24
31 WOLF-Garten Expert BUNDSCHRAUBE:.375x.148x1/4-20738-04419ABUNDSCHRAUBE:.375x.148x1/4-20
32 738-0958BUNDBUCHSE:.50 x .190: .360 LG
33 741-05282LAGERBUCHSE:.625IDx.875ODx1.00
34 749-05641637EINHÄNGEBÜGEL
36 783-09176A-SHECKPLATTE RR NX15
37 783-09207ASCHALTBLECH
38 783-09364-ZSPERRKLINKE:GRSBG:RECHTS:VERZ.
39 783-09386637PLATTE:RAHMENAUSHEBUNG
40 783-09393637BATTERIETRÄGER
41 783-09479-ZSPERRKLINKE:GRSBG:LINKS:VERZ.
42 783-09622637ANSCHLAG:BATTERIEABDECKUNG
43 783-09638637STÜTZWINKEL:ELEC GRSBG
44 783-09648637ABDECKUNG BATTERIE NX15
45 783-09665ALAGERBLECH:UNTERTEIL
Bankeinzug, MasterCard, Visa, American Express, PayPal, Nachnahme, Vorauskasse, Sofortüberweisung
Qualitätsmanagement
Informieren Sie uns, wenn Sie einen Fehler gefunden haben.