WOLF-Garten Expert
Hauptschaltplan 13BLA1VR650 (2018)

| BildNr | Artikel Nummer | Bezeichnung | |
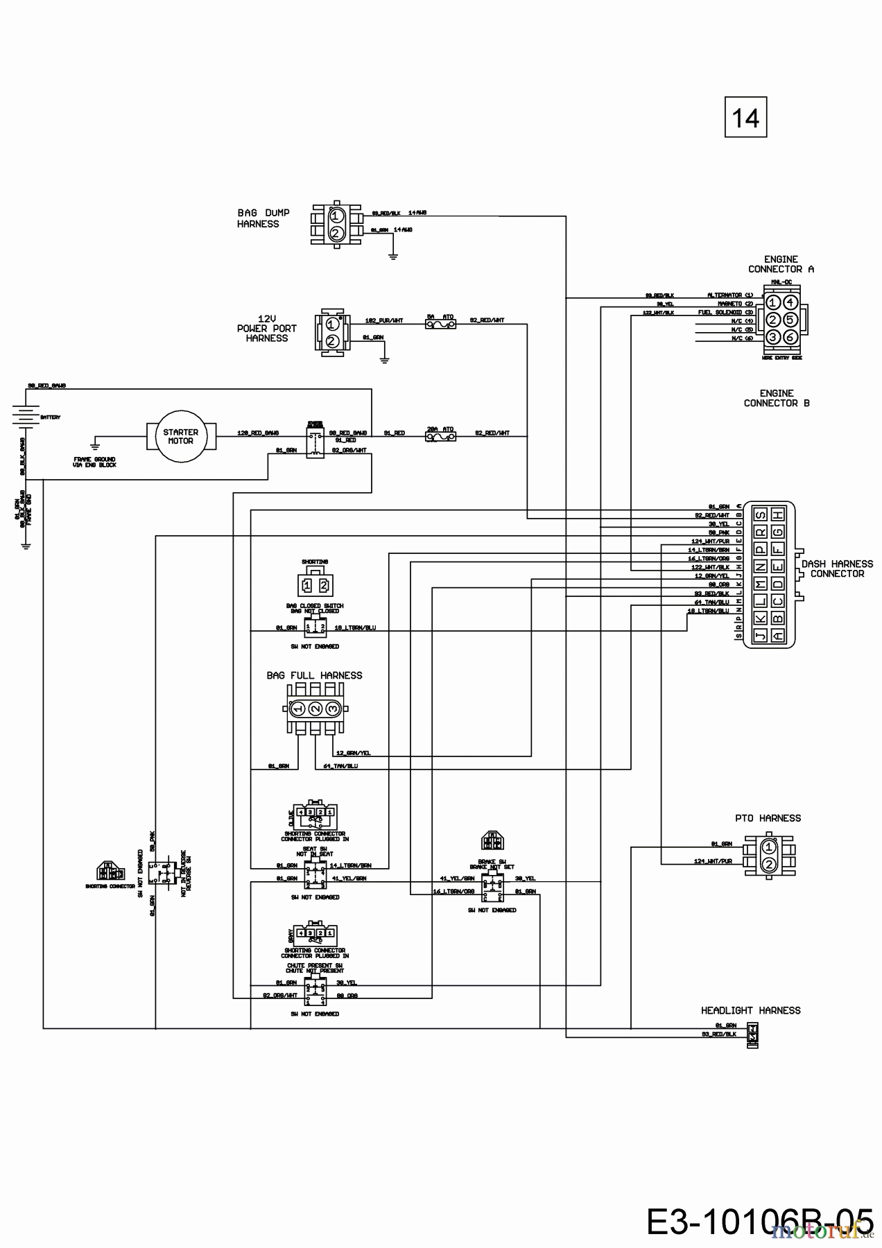
| 14 | 725-07449 | HAUPTKABELBAUM:NX15RD:EPTO:PBS | |


Qualitätsmanagement
Informieren Sie uns, wenn Sie einen Fehler gefunden haben.
| BildNr | Artikel Nummer | Bezeichnung | |
| 14 | 725-07449 | HAUPTKABELBAUM:NX15RD:EPTO:PBS | |

