Unersetzlich.com
Gartengeräte und Ersatzteile
Einkaufswagen
leer
Mein Konto
Einloggen
Registrieren
Home
Kontakt
Versand
Gästebuch
AGB
Impressum
NEUGERÄTE
WOLF-Garten Sortiment
ERSATZTEILE
Ersatzteile für WOLF-Garten Geräte online bestellen
Katalog
WOLF-Garten Expert Ersatzteile
SERVICE
Recherche
Mobilversion
WOLF-Garten Expert
Übersicht
WOLF-Garten Expert
Rasentraktoren
106.185 H
13BLA1VR650 (2018)
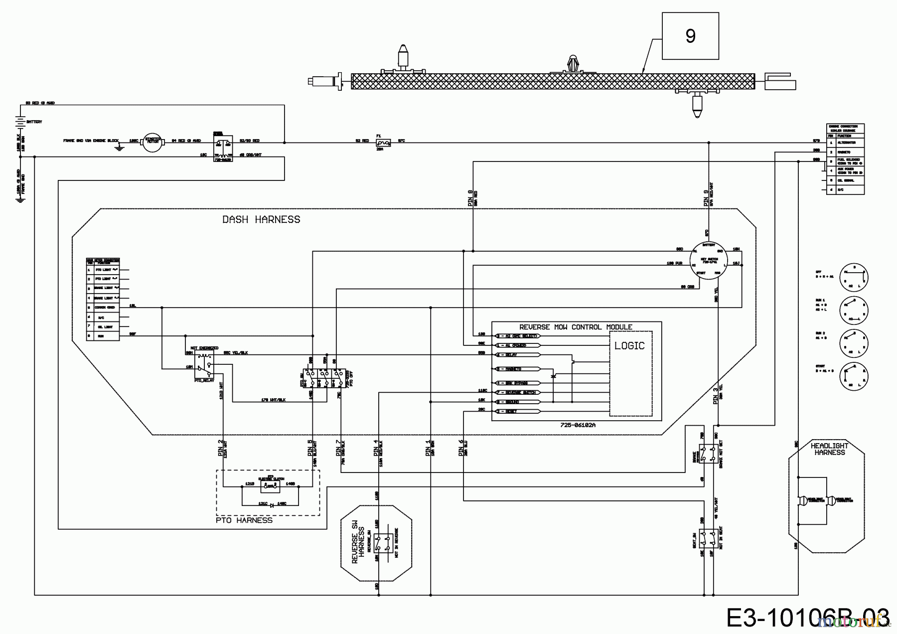
Schaltplan Elektromagnetkupplung
Schaltplan Elektromagnetkupplung 13BLA1VR650 (2018)
BildNr
Artikel Nummer
Bezeichnung
9
725-06173
KABELBAUM (DRAHTBRÜCKE) EPTO