Unersetzlich.com
Home
Kontakt
Versand
Gästebuch
AGB
Impressum
NEUGERÄTE
WOLF-Garten Sortiment
ERSATZTEILE
Ersatzteile für WOLF-Garten Geräte online bestellen
Katalog
WOLF-Garten Expert Ersatzteile
SERVICE
Recherche
Mein Konto
Einloggen
Registrieren
Computer
WOLF-Garten Expert
Übersicht
WOLF-Garten Expert
Rasentraktoren
Scooter Pro Hydro
13A221HD650 (2017)
Elektroteile
Elektroteile 13A221HD650 (2017)
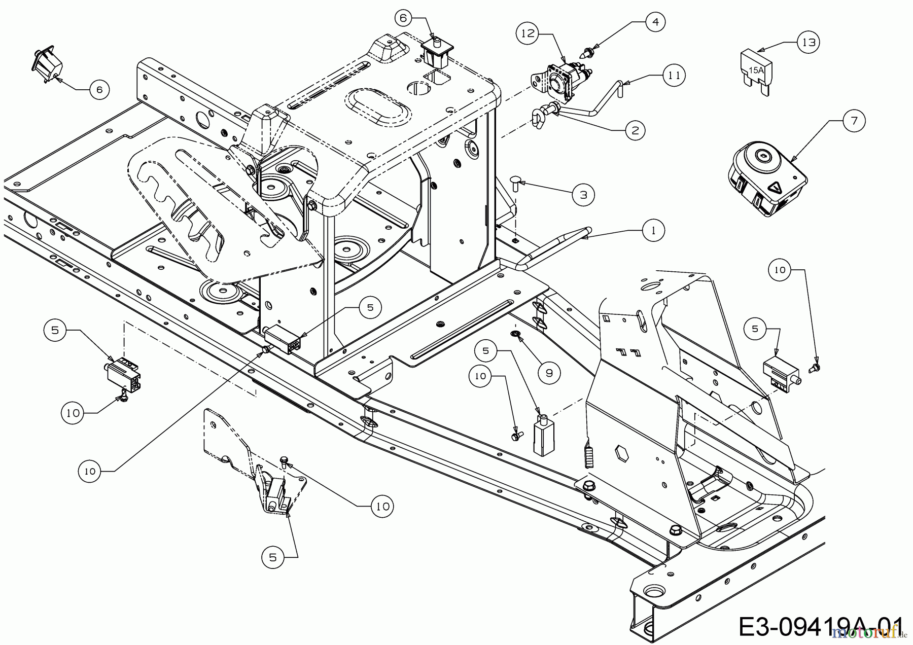
BildNr
Artikel Nummer
Bezeichnung
1
683-05056A
BATTERIETRÄGER
2
710-04484
6KT-SCHRAUBE:TT:5/16-18:.750
3
710-0703
FL-RD-SCHR:CRG:1/4-20:.75:GR5
4
710-1652
6KT-SCHRAUBE:TT:1/4-20:.625
5
725-04363
KONTAKTSCHALTER:NO/NC:4 POLIG
6
725-05013
SITZ-KONTAKTSCHALTER:2 POLIG
7
725-06119B
ZÜNDSCHLOSS:RMC:MPTO:SCHWARZ
9
726-0233
DRUCKSCHEIBE:.25 ID X .50 OD
10
738-04237A
SCHULTERSCHR:T:#10-32:.500
11
747-06148
HALTER BATTERIE
12
725-06153
MAGNETSCHALTER:12V:100A:4 POL
13
725-04009
SICHERUNG 15A
Qualitätsmanagement
Informieren Sie uns, wenn Sie einen Fehler gefunden haben.