Unersetzlich.com
Home
Kontakt
Versand
Gästebuch
AGB
Impressum
NEUGERÄTE
WOLF-Garten Sortiment
ERSATZTEILE
Ersatzteile für WOLF-Garten Geräte online bestellen
Katalog
WOLF-Garten Expert Ersatzteile
SERVICE
Recherche
Mein Konto
Einloggen
Registrieren
Computer
WOLF-Garten Expert
Übersicht
WOLF-Garten Expert
Rasentraktoren
Scooter Pro Hydro
13A221HD650 (2017)
Frontgewicht, Verkleidungen
Frontgewicht, Verkleidungen 13A221HD650 (2017)
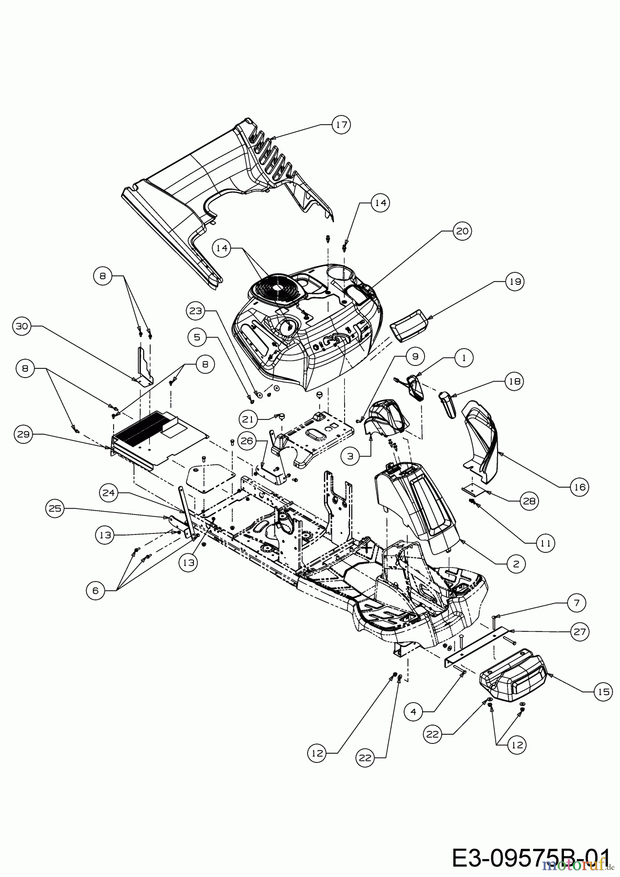
BildNr
Artikel Nummer
Bezeichnung
1
625-05119
KABELBAUM VST:LED-SCHEINWERFER
2
631-05039
ABDECKUNG WOLF ROT
3
631-05371
ABDECKUNG LENKSÄULE WOLF ROT
4
710-0378
6KT-SCHR:5/16-18:2.50:GR5:STD
5
710-04187A
6KT-SCHRAUBE:HL:1/4-15:0.50
6
710-04666
6KT-SCHRAUB:FLG:1/4-20:.75:GR5
7
710-0572
FL-KOPF-SCHR:5/16-18:2.50:GR1
8
710-0599
6KT-SCHRAUBE:TT:1/4-20:0.500
9
710-0924
FLK-SCHR.1/4-20:0.750:PANPHI
11
712-0397A
K-FLÜGELMUTTER:1/4-20:0.018 LO
13
712-04064
6KT-BUNDMUTTER:1/4-20:NYLON
14
728-0199
KLEMMNIET ( 2-TEILIG ):.3125
15
731-09227
GEGENGEWICHT
16
731-09371
ABDECKUNG BATTERIE
17
731-09403
ABDECKUNG HINTEN
18
731-11484
SCHEINWERFERBLENDE
19
731-11496
ABDECKUNG
20
731-11594
ABDECKHAUBE VOLLST.
21
735-05006
DÄMPFER: .62 DIA X .50
22
736-0159
SCHEIBE:FL:.349IDx.879ODx.063
23
736-3092
SCHEIBE:FLACH:.265x1.0x.030:HD
24
783-07314
25
783-07319A
BEFESTIGUNGSBLECH RECHTS
26
783-07376A
BEFESTIGUNGSBLECH LINKS
27
783-08135
28
783-08277
29
783-08985A
HITZESCHILD
30
783-09094
SCHUTZSCHILD
Qualitätsmanagement
Informieren Sie uns, wenn Sie einen Fehler gefunden haben.