Unersetzlich.com
Home
Kontakt
Versand
Gästebuch
AGB
Impressum
NEUGERÄTE
WOLF-Garten Sortiment
ERSATZTEILE
Ersatzteile für WOLF-Garten Geräte online bestellen
Katalog
WOLF-Garten Expert Ersatzteile
SERVICE
Recherche
Mein Konto
Einloggen
Registrieren
Computer
WOLF-Garten Expert
Übersicht
WOLF-Garten Expert
Rasentraktoren
Scooter Pro Hydro
13A221HD650 (2016)
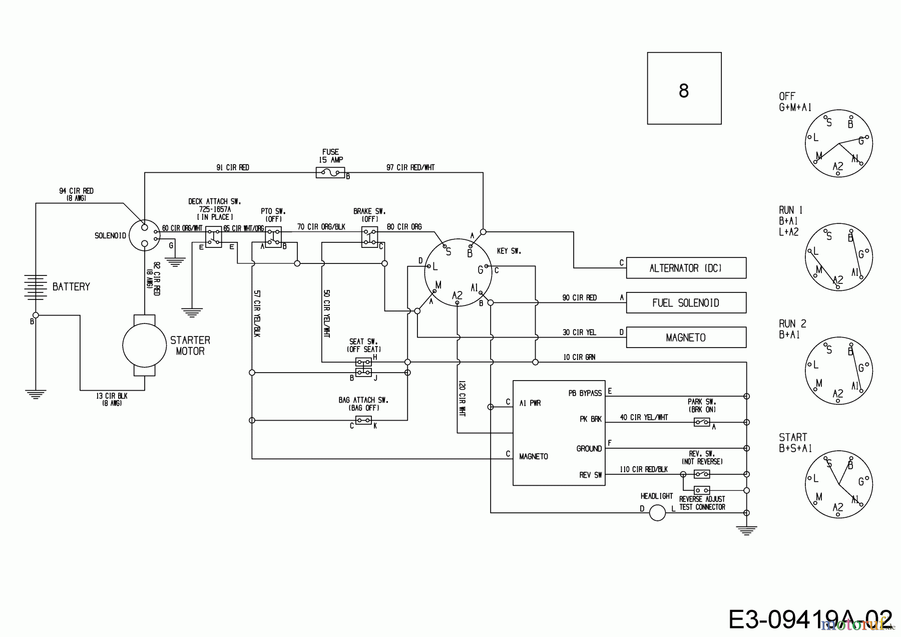
Schaltplan
Schaltplan 13A221HD650 (2016)
BildNr
Artikel Nummer
Bezeichnung
1
725-06694
KABELBAUM:MINI:HYDRO:RMC:BAG: