WOLF-Garten Expert
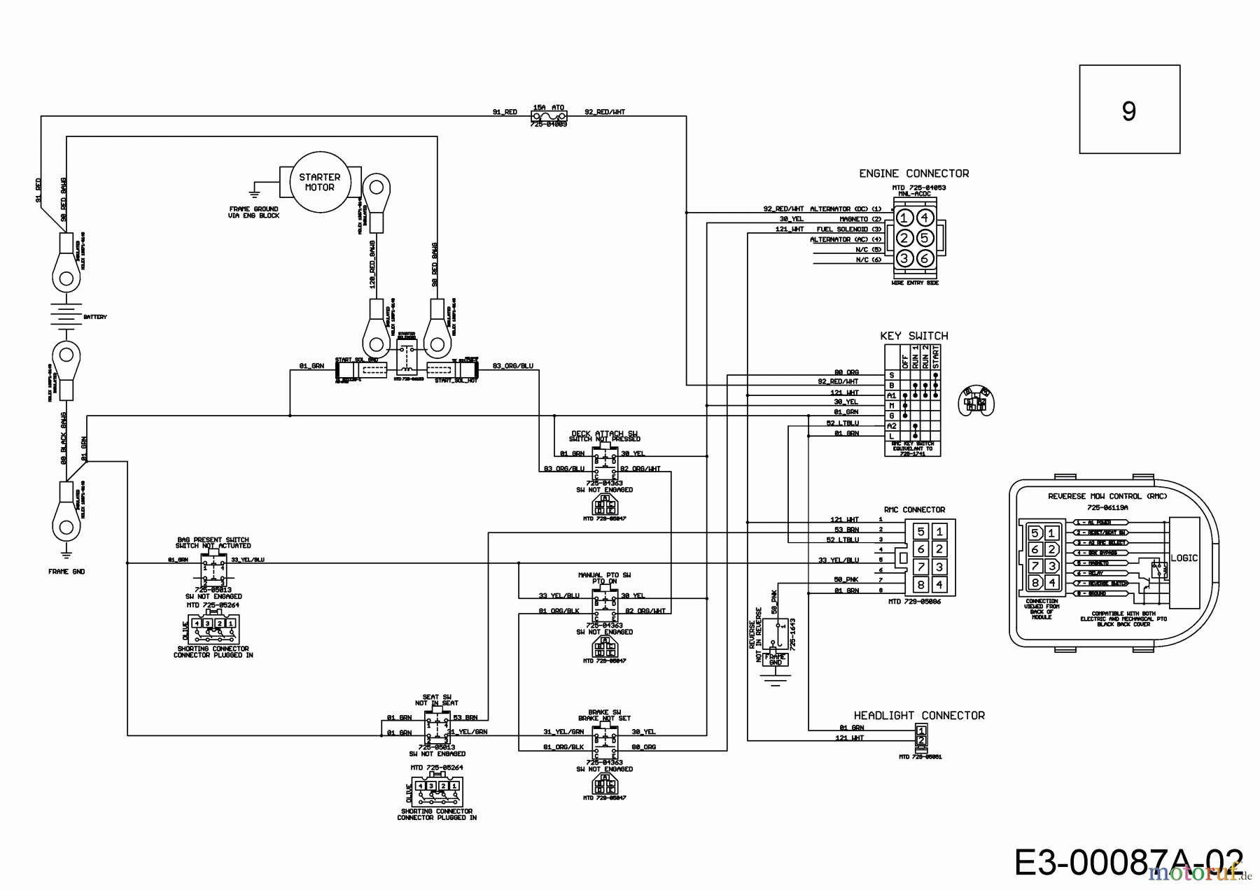
Schaltplan 13C226HD650 (2018)

| BildNr | Artikel Nummer | Bezeichnung | |
| 9 | 725-07584 | KABELBAUM:CR12:RMC:SOL:HDLT: | |


Qualitätsmanagement
Informieren Sie uns, wenn Sie einen Fehler gefunden haben.
| BildNr | Artikel Nummer | Bezeichnung | |
| 9 | 725-07584 | KABELBAUM:CR12:RMC:SOL:HDLT: | |

