Unersetzlich.com
Gartengeräte und Ersatzteile
Einkaufswagen
leer
Mein Konto
Einloggen
Registrieren
Home
Kontakt
Versand
Gästebuch
AGB
Impressum
NEUGERÄTE
WOLF-Garten Sortiment
ERSATZTEILE
Ersatzteile für WOLF-Garten Geräte online bestellen
Katalog
WOLF-Garten Expert Ersatzteile
SERVICE
Recherche
Mobilversion
WOLF-Garten Expert
Übersicht
WOLF-Garten Expert
Rasentraktoren
Scooter Pro
13C226HD650 (2018)
Frontgewicht, Verkleidungen
Frontgewicht, Verkleidungen 13C226HD650 (2018)
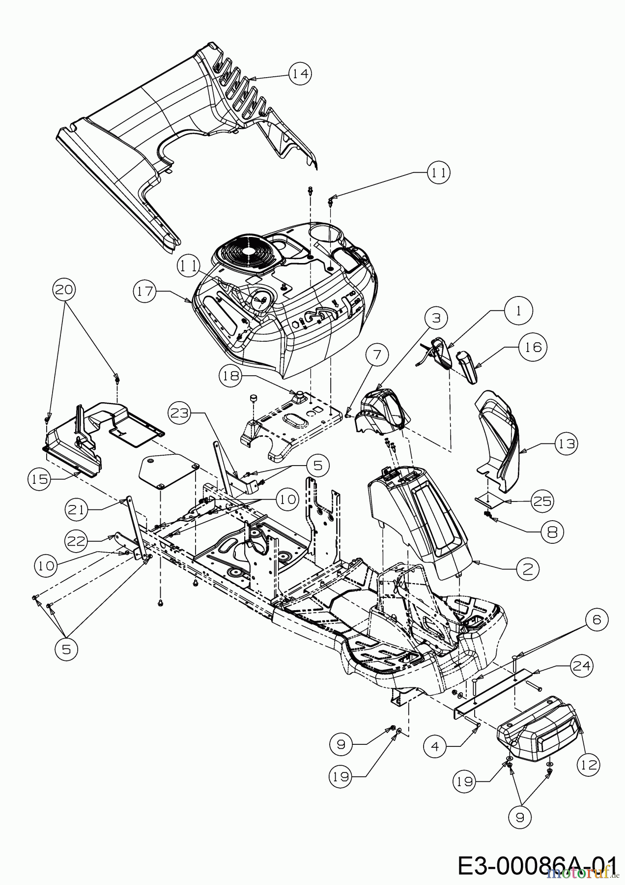
BildNr
Artikel Nummer
Bezeichnung
1
625-05119
KABELBAUM VST:LED-SCHEINWERFER
2
631-05039
ABDECKUNG WOLF ROT
3
631-05658
ABDECKUNG LENKSÄULE WOLF ROT
4
710-0378
6KT-SCHR:5/16-18:2.50:GR5:STD
5
710-04666
6KT-SCHRAUB:FLG:1/4-20:.75:GR5
6
710-0572
FL-KOPF-SCHR:5/16-18:2.50:GR1
7
710-0924
FLK-SCHR.1/4-20:0.750:PANPHI
8
712-0397A
K-FLÜGELMUTTER:1/4-20:0.018 LO
9
712-04063
6KT-BUNDMUTTER:5/16-18:NYLON
10
712-04064
6KT-BUNDMUTTER:1/4-20:NYLON
11
728-0199
KLEMMNIET ( 2-TEILIG ):.3125
12
731-09227
GEGENGEWICHT
13
731-09371
ABDECKUNG BATTERIE
14
731-09403
ABDECKUNG HINTEN
15
731-10504
ABDECKUNG HINTEN
16
731-11484
SCHEINWERFERBLENDE
17
731-11594
ABDECKHAUBE VOLLST.
18
735-05006
DÄMPFER: .62 DIA X .50
19
736-0159
SCHEIBE:FL:.349IDx.879ODx.063
20
738-04184A
SCHULTER-SCHRAUBE:.368x.113:TT
21
783-07314637
VERSTÄRKUNGSBLECH
22
783-07319A
BEFESTIGUNGSBLECH RECHTS
23
783-07376A
BEFESTIGUNGSBLECH LINKS
24
783-08135637
HALTER GEGENGEWICHT
25
783-08277637
HALTER ABDECKUNG BATTERIE