Unersetzlich.com
Home
Kontakt
Versand
Gästebuch
AGB
Impressum
NEUGERÄTE
WOLF-Garten Sortiment
ERSATZTEILE
Ersatzteile für WOLF-Garten Geräte online bestellen
Katalog
WOLF-Garten Expert Ersatzteile
SERVICE
Recherche
Mein Konto
Einloggen
Registrieren
Computer
WOLF-Garten Expert
Übersicht
WOLF-Garten Expert
Rasentraktoren
Scooter Pro
13B226ED650 (2013)
Frontgewicht, Verkleidungen
Frontgewicht, Verkleidungen 13B226ED650 (2013)
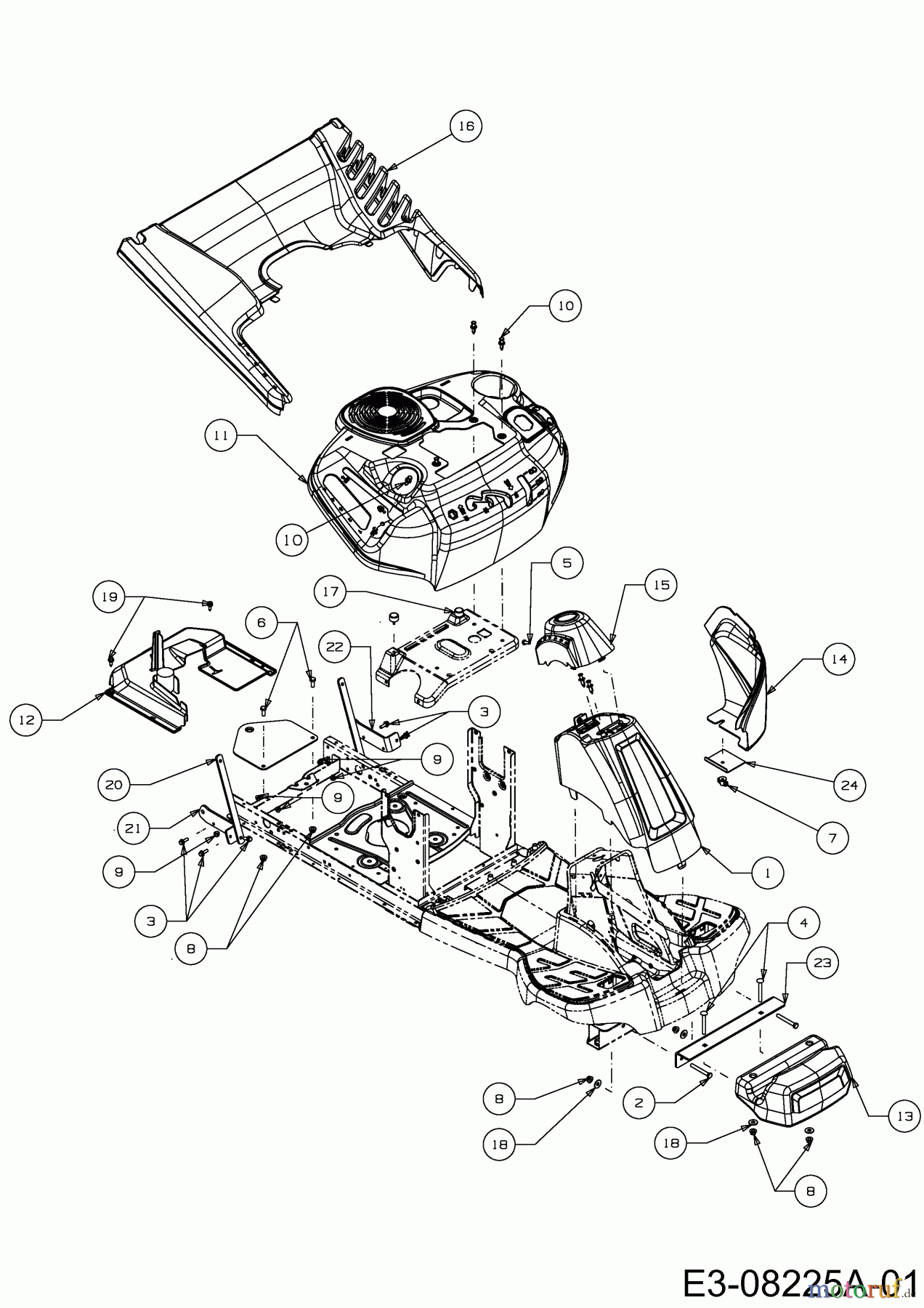
BildNr
Artikel Nummer
Bezeichnung
1
631-05039
ABDECKUNG WOLF ROT
2
710-0378
6KT-SCHR:5/16-18:2.50:GR5:STD
3
710-04666
6KT-SCHRAUB:FLG:1/4-20:.75:GR5
4
710-0572
FL-KOPF-SCHR:5/16-18:2.50:GR1
5
710-0924
FLK-SCHR.1/4-20:0.750:PANPHI
6
710-3008
6KT-SCHR:5/16-18:.75 GR5:STD
7
712-0397
FLÜGELMUTTER KUNSTSTOFF:1/4-20
8
712-04063
6KT-BUNDMUTTER:5/16-18:NYLON
9
712-04064
6KT-BUNDMUTTER:1/4-20:NYLON
10
728-0199
KLEMMNIET ( 2-TEILIG ):.3125
11
731-08811A
ABDECKHAUBE VOLLST. WOLF ROT
12
731-09185
ABDECKUNG GETRIEBE
13
731-09227
GEGENGEWICHT
14
731-09371
ABDECKUNG BATTERIE
15
731-09397
ABDECKUNG LENKSÄULE
16
731-09403
ABDECKUNG HINTEN
17
735-05006
DÄMPFER: .62 DIA X .50
18
736-0159
SCHEIBE:FL:.349IDx.879ODx.063
19
738-04184A
SCHULTER-SCHRAUBE:.368x.113:TT
20
783-07314637
VERSTÄRKUNGSBLECH
21
783-07319A
BEFESTIGUNGSBLECH RECHTS
22
783-07376A
BEFESTIGUNGSBLECH LINKS
23
783-08135
24
783-08277
Qualitätsmanagement
Informieren Sie uns, wenn Sie einen Fehler gefunden haben.