Unersetzlich.com
Home
Kontakt
Versand
Gästebuch
AGB
Impressum
NEUGERÄTE
WOLF-Garten Sortiment
ERSATZTEILE
Ersatzteile für WOLF-Garten Geräte online bestellen
Katalog
WOLF-Garten Expert Ersatzteile
SERVICE
Recherche
Mein Konto
Einloggen
Registrieren
Computer
WOLF-Garten Expert
Übersicht
WOLF-Garten Expert
Motormäher mit Antrieb
Expert 53 B ES V
12ARZA9B650 (2018)
Holm
Holm 12ARZA9B650 (2018)
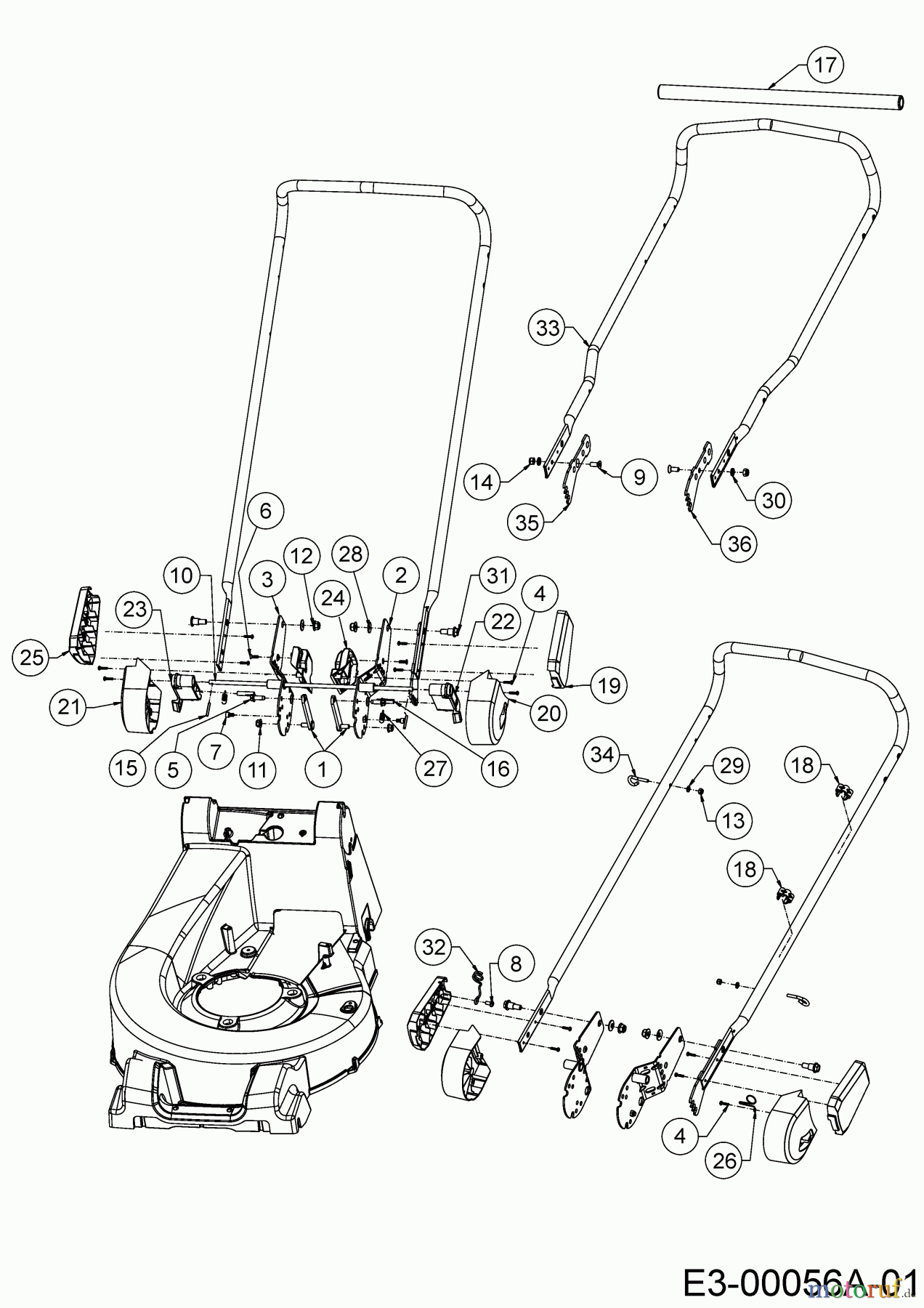
BildNr
Artikel Nummer
Bezeichnung
1
687-05283-Z
ANKERPLATTE:VERZINKT
2
687-05302637
HOLMBRACKETTE RECHTS
3
687-05303637
HOLMBRACKETTE LINKS
4
710-04329
SCHRAUBE:Sternantrieb:.159 OD x.610
5
710-0650
6KT-SCHR:TT:5/16-18:0.875:HXIN
6
710-06552
SENKSCHRAUBE:Sternantrieb:50x16-10.9
7
710-06658
INNEN-6KT-SCHR:M6-1.0x10mm:8.8
8
710-06659
SCHR:LINSENKPF/FLG:M6x12:Sternantrieb
9
710-06794
SENKKOPFSCHR:M8-1.25:20.00
10
711-06795-Z
KOPPELSTANGE Ò8mm x 433+/-0,2
11
712-04063
6KT-BUNDMUTTER:5/16-18:NYLON
12
712-04065
S-6KT-BUNDMUTTER 3/8-16:NYLON
13
712-0691
S-6KT-MUTTER: M6 DIN 985-8
14
712-0692
S-6KT-MUTTER: M8 DIN 985-8
15
715-05080
KEGELKERBSTIFT:4x30:DIN 1471
16
715-05094
PASSKERBSTIFT:8x35:DIN 1472
17
720-05000
SOFT-GRIFFSCHLAUCH:530MM LG
18
731-08454
KABELFÜHRUNG:3FACH:HOLM Ò20
19
731-13058A
ABDECKUNG:LINKE SEITE:HOLM:WG
20
731-13089
ABDECKUNG:HOLMVERSTELLG:LINKS
21
731-13090
ABDECKUNG:HOLMVERSTELLG:RECHTS
22
731-13091A
RASTHEBEL:HOLMVERSTELLG LINKS
23
731-13092A
RASTHEBEL:HOLMVERSTELLG RECHTS
24
731-13126
FANGKORBAUFNAHME:DM
25
731-13188A
ABDECKUNG:RECHTE SEITE:HOLM:WG
26
732-05585A
KABELFÜHRUNG:FEDERSTAHL
27
732-05591
ZUGFEDER:RASTHEBEL:HOLMVERST.
28
736-0105
TELLERFEDER:.401 x.870 x.060
29
736-0668
SCHEIBE A6.4 DIN 125-St
30
736-0689
FAECHERSCHEIBE B 8,4 DIN 6798
31
738-1007
SCHULTERSCHRAUBE.50x.50:3/8-16
32
747-06965
STANGE:STARTERSEILFÜHRUNG
33
749-06122A
34
782-7627C
STARTERHALTER:M6
35
787-03945A-S
RASTPLATTE HOLMVERSTELLUNG
36
787-04024A-S
RASTPLATTE HOLMVERSTELLUNG
Qualitätsmanagement
Informieren Sie uns, wenn Sie einen Fehler gefunden haben.