Unersetzlich.com
Gartengeräte und Ersatzteile
Einkaufswagen
leer
Mein Konto
Einloggen
Registrieren
Home
Kontakt
Versand
Gästebuch
AGB
Impressum
NEUGERÄTE
WOLF-Garten Sortiment
ERSATZTEILE
Ersatzteile für WOLF-Garten Geräte online bestellen
Katalog
WOLF-Garten Expert Ersatzteile
SERVICE
Recherche
Mobilversion
WOLF-Garten Expert
Übersicht
WOLF-Garten Expert
Motormäher mit Antrieb
Expert 53 B ES V
12ARZA9B650 (2018)
Elektroteile
Elektroteile 12ARZA9B650 (2018)
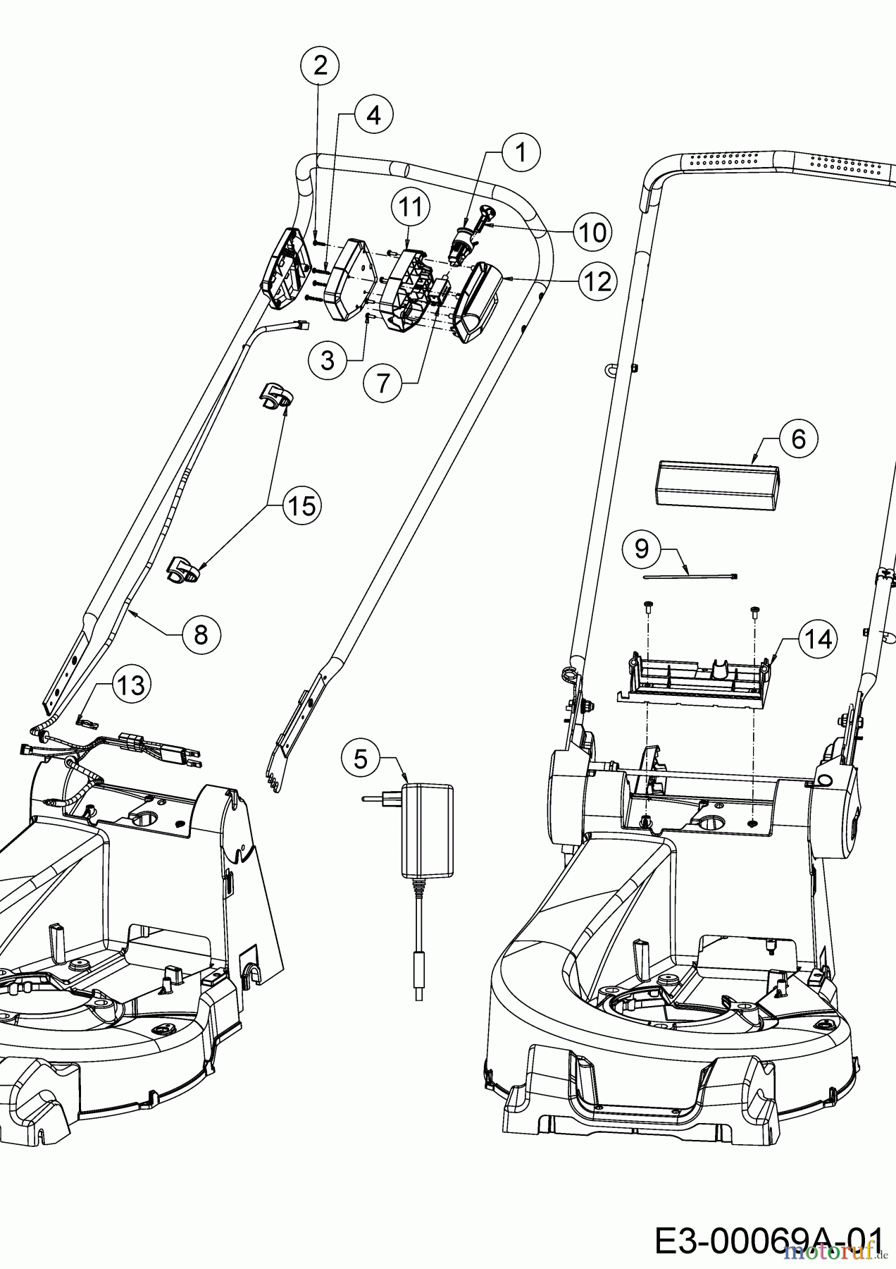
BildNr
Artikel Nummer
Bezeichnung
1
631-05131A
DRUCKSCHALTER VOLLST:UNTERTEIL
2
710-04329
SCHRAUBE:Sternantrieb:.159 OD x.610
3
710-04632
SCHRAUBE:Sternantrieb:K40 x 12:WN 1451
4
710-06641
HALB-RD-SCHRAUBE Sternantrieb.159 ODx1
5
725-04442A
BATTERIE-LADEGERÄT:12 V EURO
6
725-06098
BATTERIE 12V 2.6AH
7
725-06114
KONTAKTSCHALTER:20A
8
725-08645
KABELBAUM:MÄHER:E-START:DM
9
726-04055
KABELBINDER:3.6x140 mm:schwarz
10
731-09728
DRUCKSCHALTER:TASTER
11
731-13088A
GEHÄUSEUNTERTEIL:E-START:WG
12
731-13087
GEHÄUSEOBERTEIL:E-START:WG
13
731-13085
ZUGENTLASTUNG:KABEL:E-START
14
731-13334
BATTERIEHALTER:DECK:HINTEN
15
731-2422
KABELFÜHRUNG