Unersetzlich.com
Home
Kontakt
Versand
Gästebuch
AGB
Impressum
NEUGERÄTE
WOLF-Garten Sortiment
ERSATZTEILE
Ersatzteile für WOLF-Garten Geräte online bestellen
Katalog
WOLF-Garten Expert Ersatzteile
SERVICE
Recherche
Mein Konto
Einloggen
Registrieren
Computer
WOLF-Garten Expert
Übersicht
WOLF-Garten Expert
Motormäher mit Antrieb
Expert 46 W ES SP
12ACYAS7650 (2018)
Getriebe, Keilriemen, Variator
Getriebe, Keilriemen, Variator 12ACYAS7650 (2018)
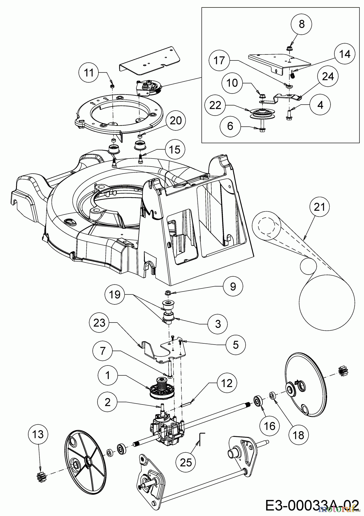
BildNr
Artikel Nummer
Bezeichnung
1
618-07324
VARIATOR:EVO740:GT
2
618-07426
GETRIEBE VOLLST:SP:VAR:46cm
3
631-05609
SPANNROLLE VOLLST:VARIATOR:DM
4
710-04043
6KT-SCHR/FLG:5/16-18:0.75:GR5
5
710-04374
6KT-SCHR./SCHEIBE:.159 ODx.43
6
710-04994
6KT-SCHRAUB:FLG:M8x1.25x30:8.8
7
710-1684
SECHSKANTSCHR.M8x50 DIN933 8.8
8
712-04063
6KT-BUNDMUTTER:5/16-18:NYLON
9
712-04312
6KT-BUNDMUTTER:M8-1.25:8.8
10
712-04312
6KT-BUNDMUTTER:M8-1.25:8.8
11
712-0691
S-6KT-MUTTER: M6 DIN 985-8
12
715-0169
SPANNSTIFT:GESCHLITZT:5MMX36MM
13
717-04849
ANTRIEBSRITZEL:9 ZÄHNE
14
732-05623
ZUGFEDER:VARIATORHEBEL:MYSPEED
15
738-05263
SCHULTERSCHR:M6x10-12.9
16
741-05254
KUGELLAGER:12.7x32x10
17
748-04112B
BUNDBUCHSE:.3175ID x.500 x.097
18
750-0289
DISTANZHÜLSE.510IDX.875ODX.275
19
750-05180
DISTANZSTÜCK:.385x.625x.458LG
20
750-06785
DISTANZBUCHSE:Ò8,3xÒ12x6mm:A3C
21
754-0369
KEILRIEMEN:V:3/8 x 32.5" LG
22
756-1035A
RIEMENSCHEIBE V TYP: 2.794 DIA
23
787-03859A
GETRIEBETRÄGER:MySPEED:EVO
24
787-03877
SCHALTHEBEL:VARIATOR:MySPEED
25
787-04264637
STÜTZWINKEL:GETRIEBE:MySPEED
Qualitätsmanagement
Informieren Sie uns, wenn Sie einen Fehler gefunden haben.