Unersetzlich.com
Home
Kontakt
Versand
Gästebuch
AGB
Impressum
NEUGERÄTE
WOLF-Garten Sortiment
ERSATZTEILE
Ersatzteile für WOLF-Garten Geräte online bestellen
Katalog
WOLF-Garten Expert Ersatzteile
SERVICE
Recherche
Mein Konto
Einloggen
Registrieren
Computer
WOLF-Garten Expert
Übersicht
WOLF-Garten Expert
Motormäher mit Antrieb
Expert 46 B SP
12ABYA7F650 (2018)
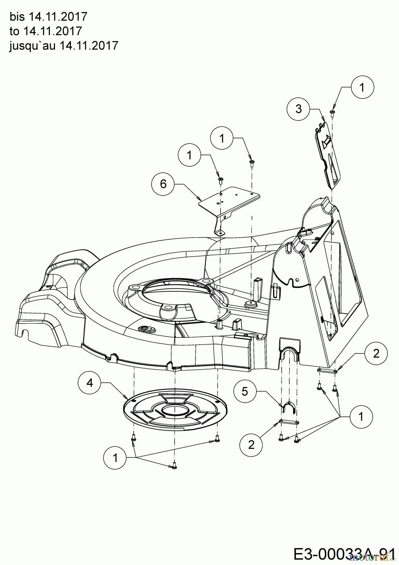
Abdeckungen, Achslager hinten bis 14.11.2017
Abdeckungen, Achslager hinten bis 14.11.2017 12ABYA7F650 (2018)
BildNr
Artikel Nummer
Bezeichnung
1
710-06550
HALB-RD-SCHR:Sternantrieb:M6x12-10.9
2
787-03758A
3
731-12565
GERTRIEBEABDECKUNG
4
731-12759
ABDECKUNG:MESSERNABE
5
741-05221
ACHSLAGER:HINTEN
6
787-03872A
ABDECKBLECH:VARIATOR:DM:46cm
Qualitätsmanagement
Informieren Sie uns, wenn Sie einen Fehler gefunden haben.