Unersetzlich.com
Home
Kontakt
Versand
Gästebuch
AGB
Impressum
NEUGERÄTE
WOLF-Garten Sortiment
ERSATZTEILE
Ersatzteile für WOLF-Garten Geräte online bestellen
Katalog
WOLF-Garten Expert Ersatzteile
SERVICE
Recherche
Mein Konto
Einloggen
Registrieren
Computer
WOLF-Garten Expert
Übersicht
WOLF-Garten Expert
Motormäher mit Antrieb
Expert 53 B S
12A-ZA7F650 (2018)
Abdeckungen, Achslager hinten
Abdeckungen, Achslager hinten 12A-ZA7F650 (2018)
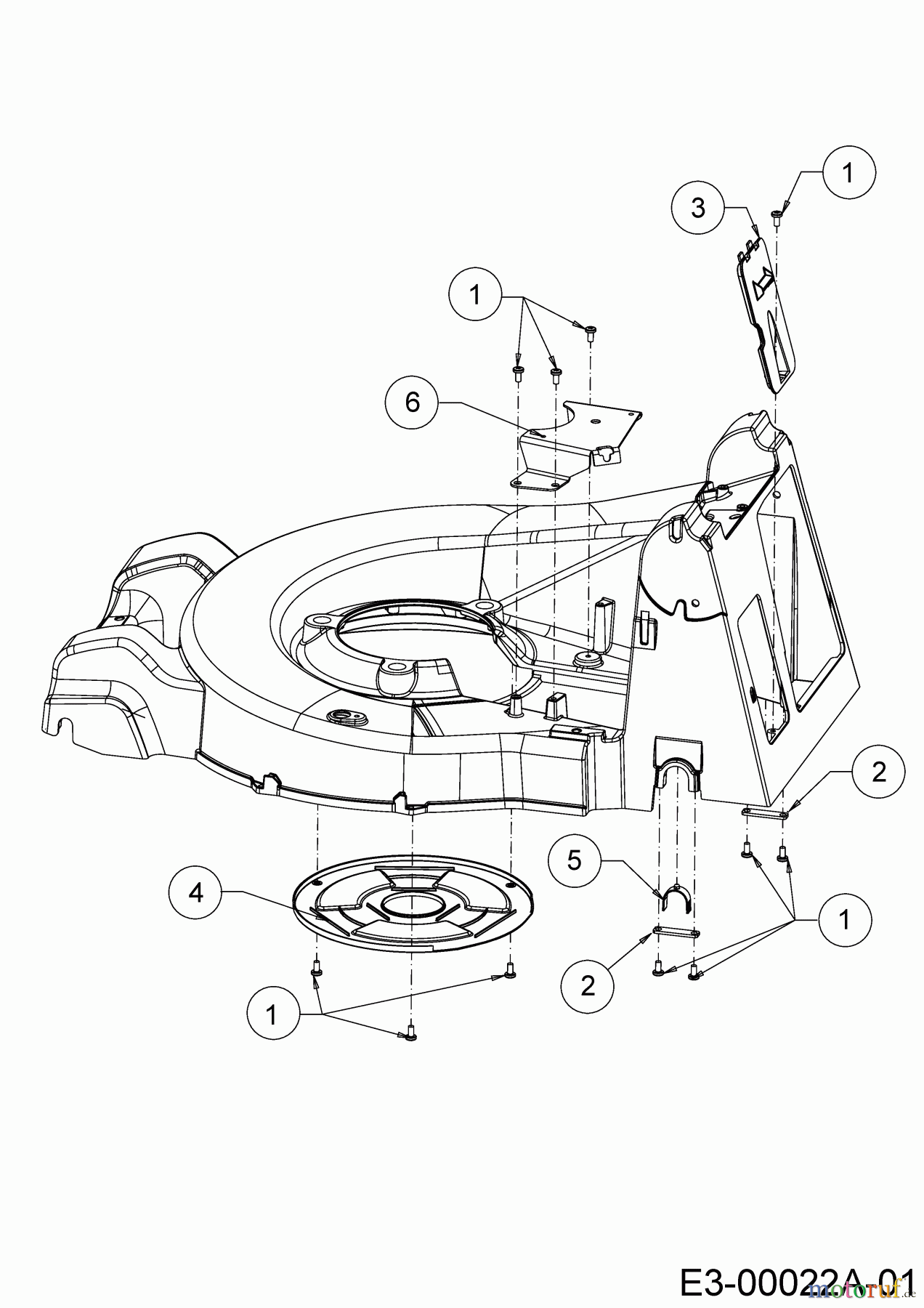
BildNr
Artikel Nummer
Bezeichnung
1
710-06550
HALB-RD-SCHR:Sternantrieb:M6x12-10.9
2
787-03758A-Z
ACHSHALTER:HINTEN RECHTS/LINKS
3
731-12565
GERTRIEBEABDECKUNG
4
731-12759
ABDECKUNG:MESSERNABE
5
741-05221
ACHSLAGER:HINTEN
6
787-03792
ABDECKUNG:VARIATOR:DM 53cm
Qualitätsmanagement
Informieren Sie uns, wenn Sie einen Fehler gefunden haben.