Unersetzlich.com
Home
Kontakt
Versand
Gästebuch
AGB
Impressum
NEUGERÄTE
WOLF-Garten Sortiment
ERSATZTEILE
Ersatzteile für WOLF-Garten Geräte online bestellen
Katalog
WOLF-Garten Expert Ersatzteile
SERVICE
Recherche
Mein Konto
Einloggen
Registrieren
Computer
WOLF-Garten Expert
Übersicht
WOLF-Garten Expert
Motormäher mit Antrieb
Expert 46 BA V HW
12ABTV5E650 (2016)
Getriebe, Keilriemen
Getriebe, Keilriemen 12ABTV5E650 (2016)
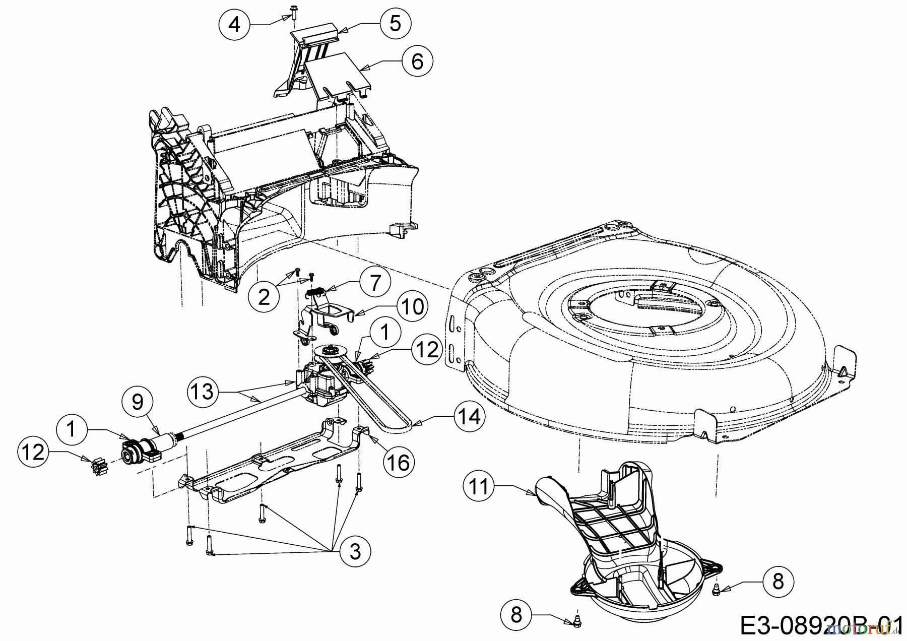
BildNr
Artikel Nummer
Bezeichnung
1
631-04501A
LAGERSCHELLE VOLLST.
2
710-04374
6KT-SCHR./SCHEIBE:.159 ODx.43
3
710-04774
6KT-SCHRAUBE:HL:1/4-15:1.250LG
4
710-0895
6KT-SCHRAUBE:HL:1/4-15:0.750
5
731-09264
GETRIEBEABDECKUNG:RWD:HINTEN
6
731-09265
GETRIEBEABDECKUNG:RWD:VORNE
7
732-05150A
ZUGFEDER:2.675"
8
738-04502
6KT-SCHULTERSCHR:1/4-20:0.50
9
750-06285
DISTANZHÜLSE:.550x1.043x1.542
10
787-01868A
HALTER:GETRIEBE
11
631-04636
LEITSTÜCK VOLLST:ENGINE:46cm
12
717-04849
ANTRIEBSRITZEL:9 ZÄHNE
13
618-07081
GETRIEBE VOLLST:SP:VAR:42/46
14
754-04333
KEILRIEMEN:V TYP:3L:28.9"
16
787-03056
PLATTE:SUPT:HINTEN:CLIP:42/46
Qualitätsmanagement
Informieren Sie uns, wenn Sie einen Fehler gefunden haben.