Unersetzlich.com
Gartengeräte und Ersatzteile
Einkaufswagen
leer
Mein Konto
Einloggen
Registrieren
Home
Kontakt
Versand
Gästebuch
AGB
Impressum
NEUGERÄTE
WOLF-Garten Sortiment
ERSATZTEILE
Ersatzteile für WOLF-Garten Geräte online bestellen
Katalog
WOLF-Garten Expert Ersatzteile
SERVICE
Recherche
Mobilversion
WOLF-Garten Expert
Übersicht
WOLF-Garten Expert
Motormäher mit Antrieb
Expert 46 BA V
12BVK15E650 (2015)
Getriebe, Keilriemen
Getriebe, Keilriemen 12BVK15E650 (2015)
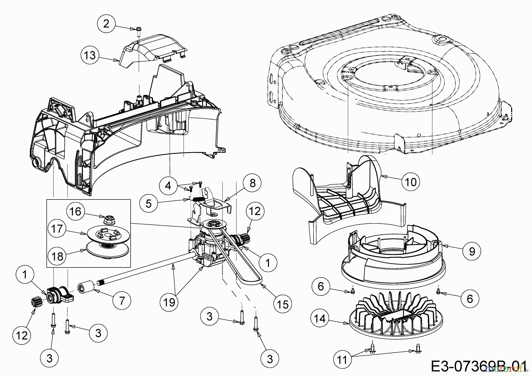
BildNr
Artikel Nummer
Bezeichnung
1
631-04501A
LAGERSCHELLE VOLLST.
2
710-0599
6KT-SCHRAUBE:TT:1/4-20:0.500
3
710-0788
6KT-SCHR:TT:1/4-20:1.0:HXINDWS
4
710-1003
6KT-SCHRAUBE:B:#10-16:0.625:SP
5
732-04826A
ZUGFEDER:2.675"
6
738-04502
6KT-SCHULTERSCHR:1/4-20:0.50
7
750-06285
DISTANZHÜLSE:.550x1.043x1.542
8
787-01868A
HALTER:GETRIEBE
9
631-05211
LÜFTERHAUBE
10
631-05213
ABDECKUNG VST:KEILRIEMEN:
11
710-05425A
6KT-SCHR/SCHEIBE:5/16-14:.750
12
717-04849
ANTRIEBSRITZEL:9 ZÄHNE
13
731-07799
HAUBE:GETRIEBE:RWD
14
731-10272A
LÜFTERRAD
15
754-04333
KEILRIEMEN:V TYP:3L:28.9"
16
712-04063
6KT-BUNDMUTTER:5/16-18:NYLON
17
756-04457C
KEILRIEMENSCHEIBENHÄLFTE OBEN
18
756-04460A
KEILRIEMENSCHEIBENHÄLFTE UNTEN
19
618-06004
GETRIEBE VOLLST:S/P:VAR:19:PRE