Unersetzlich.com
Home
Kontakt
Versand
Gästebuch
AGB
Impressum
NEUGERÄTE
WOLF-Garten Sortiment
ERSATZTEILE
Ersatzteile für WOLF-Garten Geräte online bestellen
Katalog
WOLF-Garten Expert Ersatzteile
SERVICE
Recherche
Mein Konto
Einloggen
Registrieren
Computer
WOLF-Garten Expert
Übersicht
WOLF-Garten Expert
Motormäher
Expert 46 B P
11A-YA5E650 (2018)
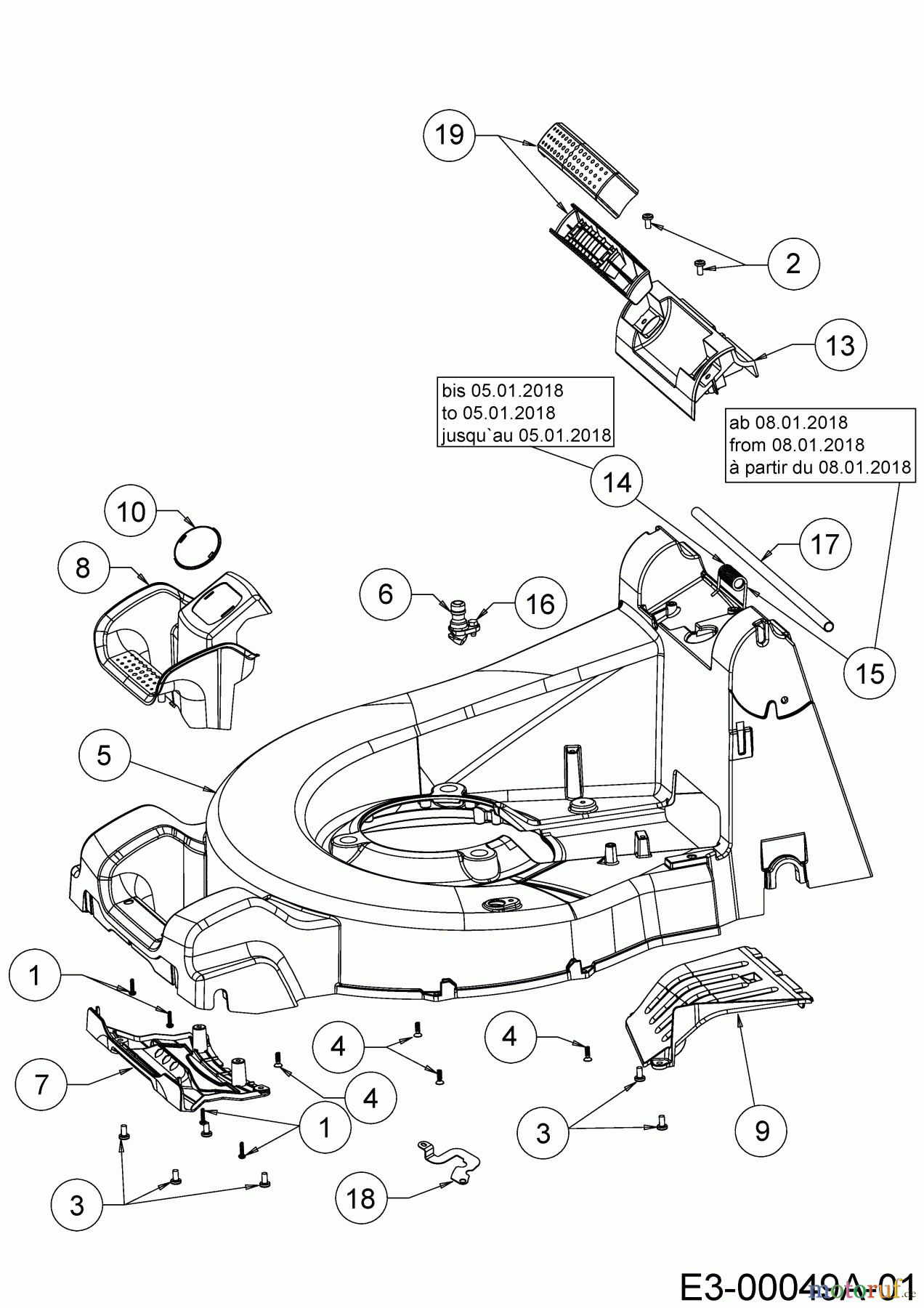
Leitstück hinten, Mähwerksgehäuse, Stange für Heckklappe, Seitenve
Leitstück hinten, Mähwerksgehäuse, Stange für Heckklappe, Seitenverkleidungen 11A-YA5E650 (2018)
BildNr
Artikel Nummer
Bezeichnung
1
710-04329
SCHRAUBE:Sternantrieb:.159 OD x.610
2
710-05405
LINSENSCHR:1/4-15:.750:PANTRXI
3
710-06550
HALB-RD-SCHR:Sternantrieb:M6x12-10.9
4
710-06552
SENKSCHRAUBE:Sternantrieb:50x16-10.9
5
719-05352-WR
MÄHDECK HECKAUSWURF 46CM ALU
6
731-07487
WASCHDÜSE:DECKREINIGUNG
7
731-12379
STOSSFÄNGER:VORDERTEIL
8
731-12380
ABDECKUNG:VORDERTEIL
9
731-12671
LEITSTÜCK:HECKAUSWURF:46cm
10
731-12756
ABDECKUNG:RUND:VORN:LOGO
13
731-13052
GRIFFSCHALE:TRAGEGRIFF:MÄHDECK
15
732-05746
SCHENKELFEDER:DM
16
738-04502
6KT-SCHULTERSCHR:1/4-20:0.50
17
747-06832
FÜRHRUNGSTANGE:HECKKLAPPE:46cm
18
912-002842
TRAGEGRIFF MÄHDECK HINTEN KPL.
Qualitätsmanagement
Informieren Sie uns, wenn Sie einen Fehler gefunden haben.