Ersatzteile
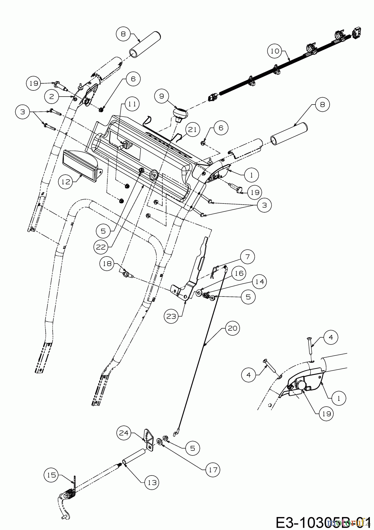
Armaturenbrett 31AW6BF2650 (2019)

Ersatzteile für WOLF-Garten Geräte können Sie bei uns ganz einfach online kaufen. Wählen Sie das Ersatzteil über die Ersatzteilliste Ihres Gerätes aus.


Qualitätsmanagement
Informieren Sie uns, wenn Sie einen Fehler gefunden haben.




