Ersatzteile
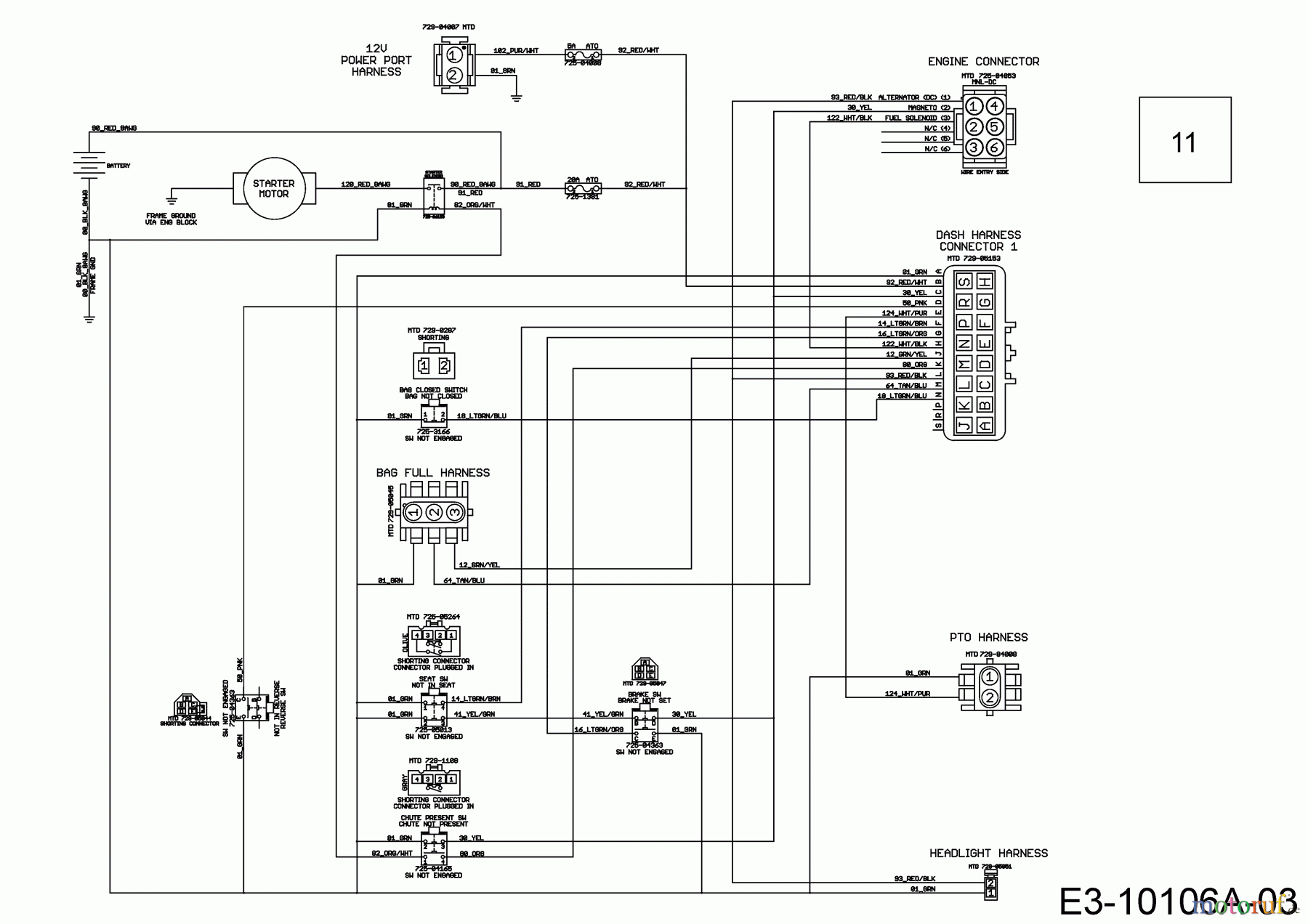
Hauptschaltplan 13BDA1VB650 (2017)

Ersatzteile für WOLF-Garten Geräte können Sie bei uns ganz einfach online kaufen. Wählen Sie das Ersatzteil über die Ersatzteilliste Ihres Gerätes aus.
| BildNr | Artikel Nummer | Bezeichnung | |
| 11 | 725-06983B | HAUPTKABELBAUM:NX15RD:EPTO:PBS | |

