Ersatzteile
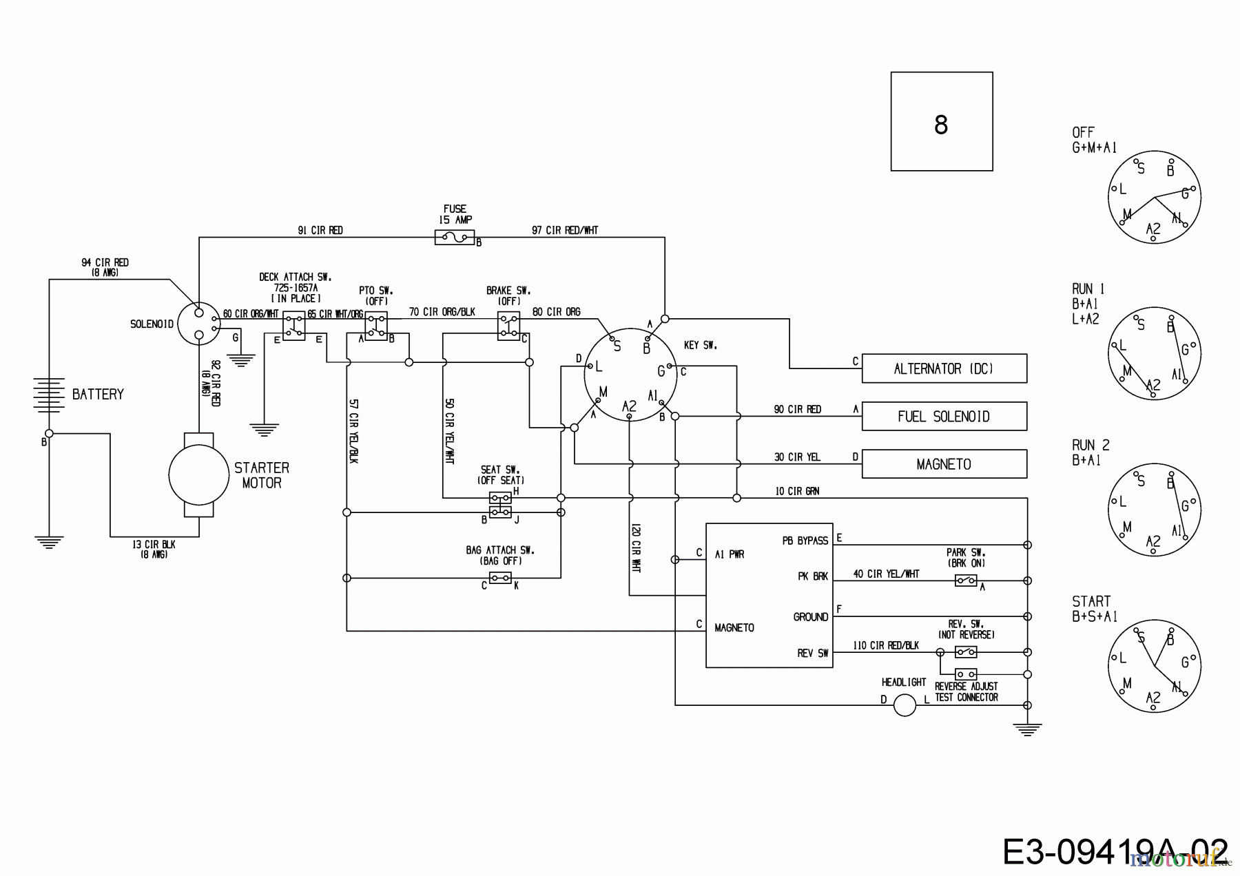
Schaltplan 13A221HD650 (2018)

Ersatzteile für WOLF-Garten Geräte können Sie bei uns ganz einfach online kaufen. Wählen Sie das Ersatzteil über die Ersatzteilliste Ihres Gerätes aus.
| BildNr | Artikel Nummer | Bezeichnung | |
| 1 | 725-06694 | KABELBAUM:MINI:HYDRO:RMC:BAG: | |

