Ersatzteile
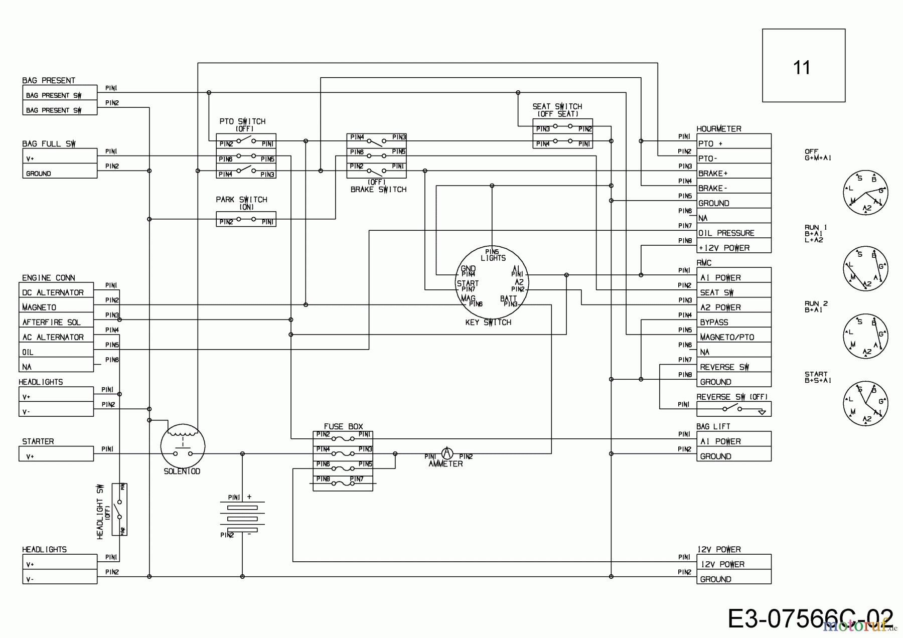
Schaltplan 13HN90WE650 (2015)

Ersatzteile für WOLF-Garten Geräte können Sie bei uns ganz einfach online kaufen. Wählen Sie das Ersatzteil über die Ersatzteilliste Ihres Gerätes aus.
| BildNr | Artikel Nummer | Bezeichnung | |
| 11 | 725-05352 | KABELBAUM:500NX:MAN:HR:AM:OCR: | |

