Ersatzteile

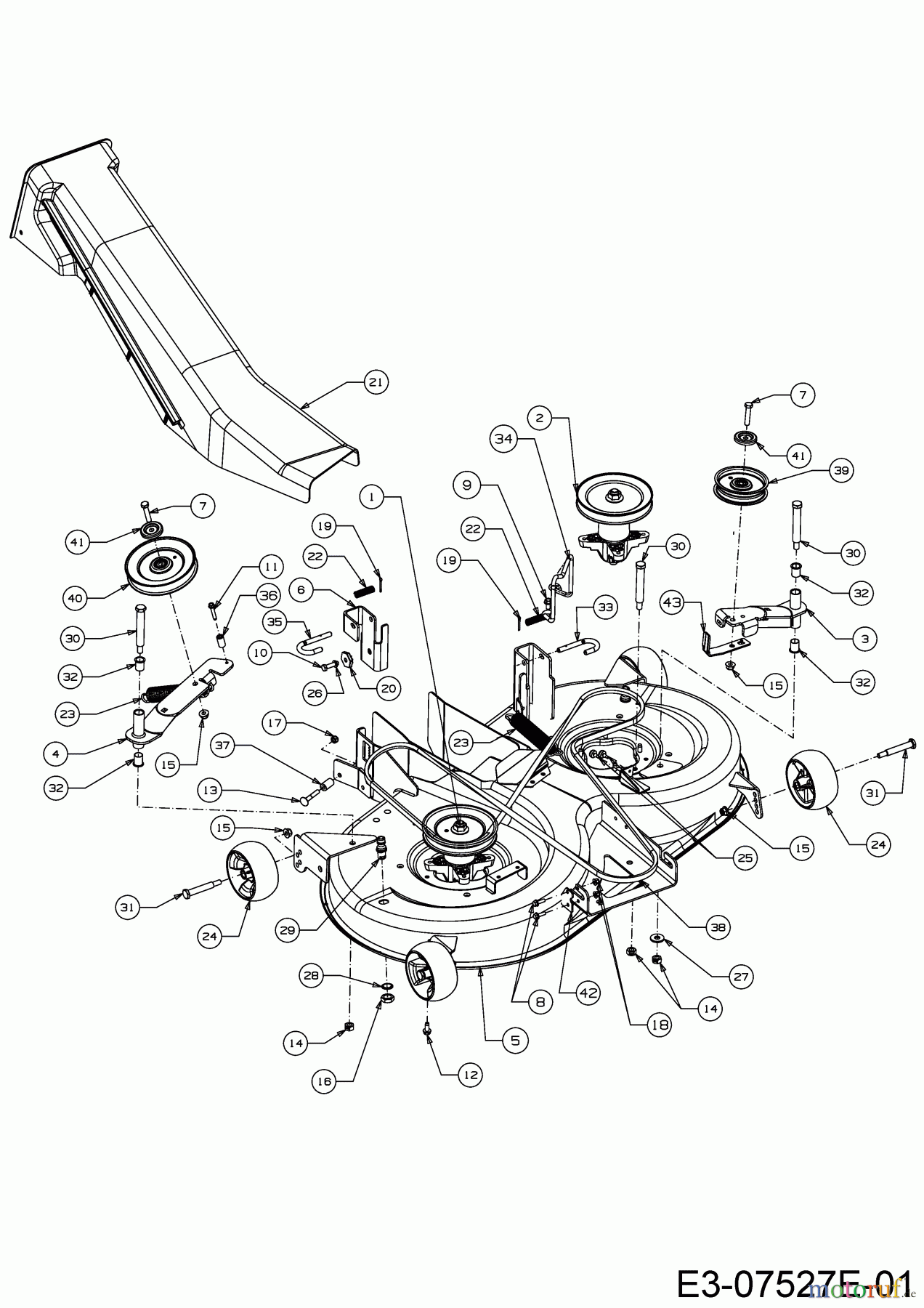
Mähwerk N (41"/105cm) 13HN99WN650 (2016)

 Wolf-Garten Rasentraktoren Expert 105.175 H 13HN99WN650  (2016) Mähwerk N (41

Ersatzteile für WOLF-Garten Geräte können Sie bei uns ganz einfach online kaufen. Wählen Sie das Ersatzteil über die Ersatzteilliste Ihres Gerätes aus.

BildNrArtikel NummerBezeichnung
1 618-04657A
2 Wolf-Garten 618-0609D
3 683-04058ESPANNROLLENTRÄGER VST:500 DECK
4 683-04061SPANNROLLENTRÄGER-RE. E/N-DECK
5 683-04729CDECK VST:RR DIS:105cm:4WHL:500
6 683-04797
7 Wolf-Garten 6KT-SCHR:3/8-16:1.75:GR5:STD710-03476KT-SCHR:3/8-16:1.75:GR5:STD
8 Wolf-Garten SCHR:M6-1:20.00 LG DIN6921-8.8710-04189SCHR:M6-1:20.00 LG DIN6921-8.8
9 Wolf-Garten 6KT-SCHRAUBE:TT:5/16-9:0.75710-044846KT-SCHRAUBE:TT:5/16-9:0.75
10 Wolf-Garten 6KT-SCHR:5/16-18:1.25:GR5:STD710-05286KT-SCHR:5/16-18:1.25:GR5:STD
11 Wolf-Garten 6KT-SCHRAUBE:TT:1/4-20:1.50710-07786KT-SCHRAUBE:TT:1/4-20:1.50
12 Wolf-Garten 6KT-SCHRAUBE:TT:5/16-18:.750710-1260A6KT-SCHRAUBE:TT:5/16-18:.750
13 Wolf-Garten FL-RUNDSCHR:M8X50 DIN 603-4.6710-1719FL-RUNDSCHR:M8X50 DIN 603-4.6
14 Wolf-Garten 6KT-S-MUTTER:7/16-14:GRA:CTRLK712-02906KT-S-MUTTER:7/16-14:GRA:CTRLK
15 Wolf-Garten 6KT-S-BUNDMUTTER 3/8-16:GRN5712-040656KT-S-BUNDMUTTER 3/8-16:GRN5
16 Wolf-Garten 6KT-MUTTER:M16x1.5:CL4:DIN 936712-06416KT-MUTTER:M16x1.5:CL4:DIN 936
17 712-0692S-6KT-MUTTER: M8 DIN 985-8
18 Wolf-Garten 6KT-S-BUNDMUTTER:M6-1:CL8:NYLO712-07136KT-S-BUNDMUTTER:M6-1:CL8:NYLO
19 Wolf-Garten SPLINT:1/8 x 1.0"714-0115SPLINT:1/8 x 1.0"
20 Wolf-Garten ZAHNRAD:Z10:DECKEINSTELLUNG717-04074ZAHNRAD:Z10:DECKEINSTELLUNG
21 731-07901AUSWURFKANAL:500 RR DIS
22 Wolf-Garten DRUCKFEDER: .531 OD x 1.75 LG732-0306ADRUCKFEDER: .531 OD x 1.75 LG
23 Wolf-Garten ZUGFEDER:1.25 DIA x 8.224" LG732-04099ZUGFEDER:1.25 DIA x 8.224" LG
24 Wolf-Garten DECKRAD:5.0 DIA:BALLFÖRMIG734-04155DECKRAD:5.0 DIA:BALLFÖRMIG
25 Wolf-Garten GUMMIDÄMPFER: .62 DIA x .3735-0271AGUMMIDÄMPFER: .62 DIA x .3
26 Wolf-Garten FEDERRING:5/16" NORMALAUSF.736-0119FEDERRING:5/16" NORMALAUSF.
27 Wolf-Garten U-SCHEIBE:11.65x28.75x3 mm736-04097AU-SCHEIBE:11.65x28.75x3 mm
28 Wolf-Garten SCHNORR-SCHEIBE:17x23.8x1.95736-0760SCHNORR-SCHEIBE:17x23.8x1.95
29 Wolf-Garten WASCHDÜSE:DECK:737-04003DWASCHDÜSE:DECK:
30 Wolf-Garten SCHULTERSCHR:.625x3.50:7/16-14738-0476SCHULTERSCHR:.625x3.50:7/16-14
31 Wolf-Garten SCHULTERSCHR:0.498x2.50:3/8-16738-3056SCHULTERSCHR:0.498x2.50:3/8-16
32 Wolf-Garten FLANSCHLAGER.630IDx.693ODx.875741-0591FLANSCHLAGER.630IDx.693ODx.875
33 747-04116AABSTECKBÜGEL:DECKFREIGABE:.375
34 747-04840ASTANGE:KEILRIEMENFÜHRUNG
35 Wolf-Garten ABSTECKBÜGEL:DECKFREIGABE:.375747-1116ABSTECKBÜGEL:DECKFREIGABE:.375
36 750-04182DISTANZSTÜCK:Ò14mm OD x Ò7mmID
37 750-04195DISTANZBUCHSE Ò16 x Ò8 x 27LG
38 Wolf-Garten KEILRIEMEN:V TYP:HB x 105" LG754-04069KEILRIEMEN:V TYP:HB x 105" LG
39 Wolf-Garten KEILRIEMENSCHEIBE:Ò 4,0" DIA756-04049KEILRIEMENSCHEIBE:Ò 4,0" DIA
40 Wolf-Garten KEILRIEMENSCHEIBE:Ò 6.0" DIA756-04050KEILRIEMENSCHEIBE:Ò 6.0" DIA
41 Wolf-Garten ABDECKBLECH:RND:SPANNROLLE:HD783-08389ABDECKBLECH:RND:SPANNROLLE:HD
42 783-09049
43 783-09148KEILRIEMENFÜHRUNG:N DECK:500
Bankeinzug, MasterCard, Visa, American Express, PayPal, Nachnahme, Vorauskasse, Sofortüberweisung
Qualitätsmanagement
Informieren Sie uns, wenn Sie einen Fehler gefunden haben.