Ersatzteile
Messer 13H2715E650 (2020)

Ersatzteile für WOLF-Garten Geräte können Sie bei uns ganz einfach online kaufen. Wählen Sie das Ersatzteil über die Ersatzteilliste Ihres Gerätes aus.
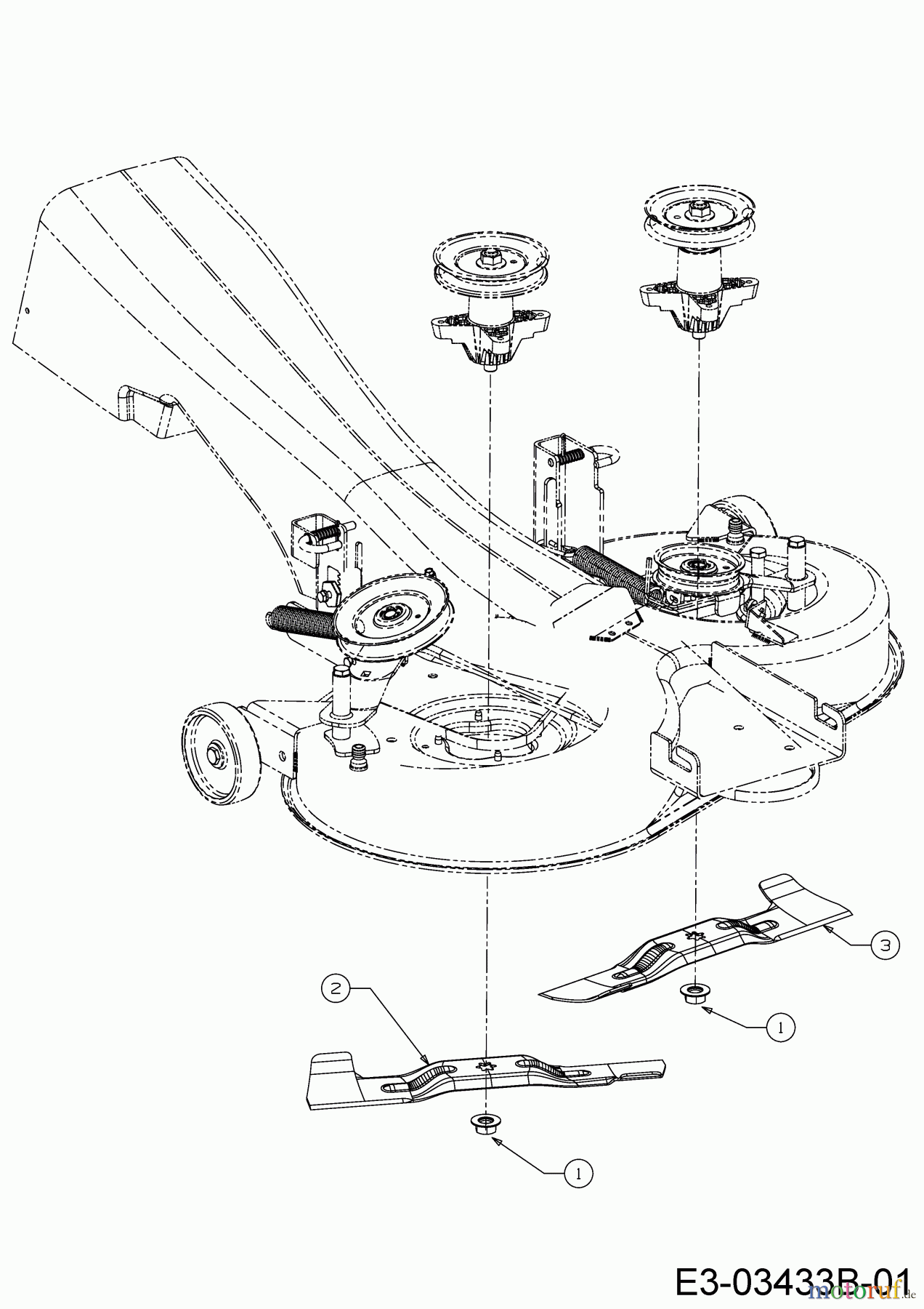
| BildNr | Artikel Nummer | Bezeichnung | |
| 1 | ![]() | 712-05134 | 6KT-BUNDMUTTER:5/8-18:GR2 |
| 2 | ![]() | 742-04020A | MESSER RECHTS 18.40":LOW LIFT |
| 3 | ![]() | 742-04021A | MESSER LINKS 18.40":LOW LIFT |


Qualitätsmanagement
Informieren Sie uns, wenn Sie einen Fehler gefunden haben.


