Ersatzteile
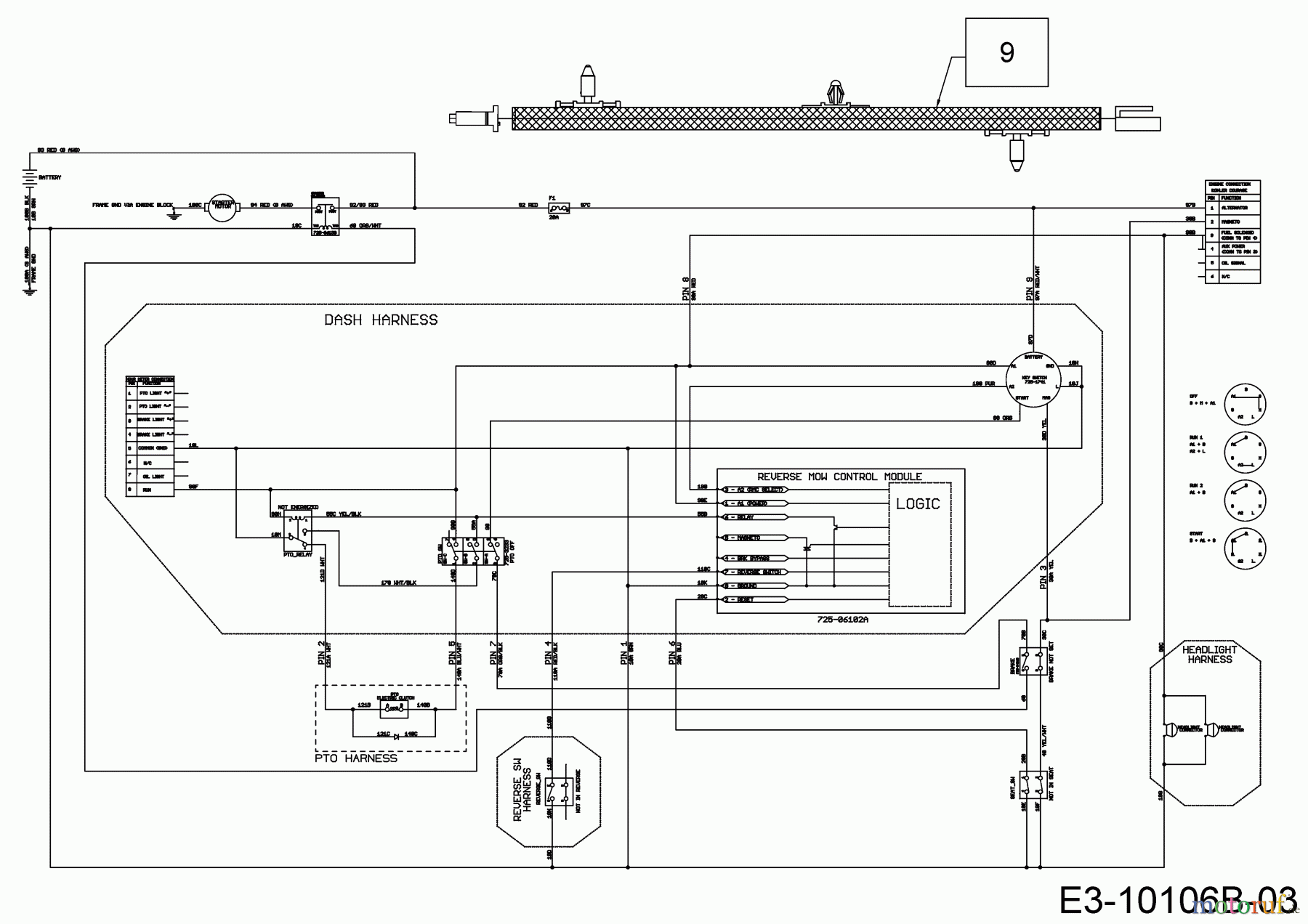
Schaltplan Elektromagnetkupplung 13DDA1VB650 (2019)

Ersatzteile für WOLF-Garten Geräte können Sie bei uns ganz einfach online kaufen. Wählen Sie das Ersatzteil über die Ersatzteilliste Ihres Gerätes aus.
| BildNr | Artikel Nummer | Bezeichnung | |
| 9 | 725-06173 | KABELBAUM (DRAHTBRÜCKE) EPTO | |

