Ersatzteile
Schaltplan Armaturenbrett 13CDA1VB650 (2018)

Ersatzteile für WOLF-Garten Geräte können Sie bei uns ganz einfach online kaufen. Wählen Sie das Ersatzteil über die Ersatzteilliste Ihres Gerätes aus.
| BildNr | Artikel Nummer | Bezeichnung | |
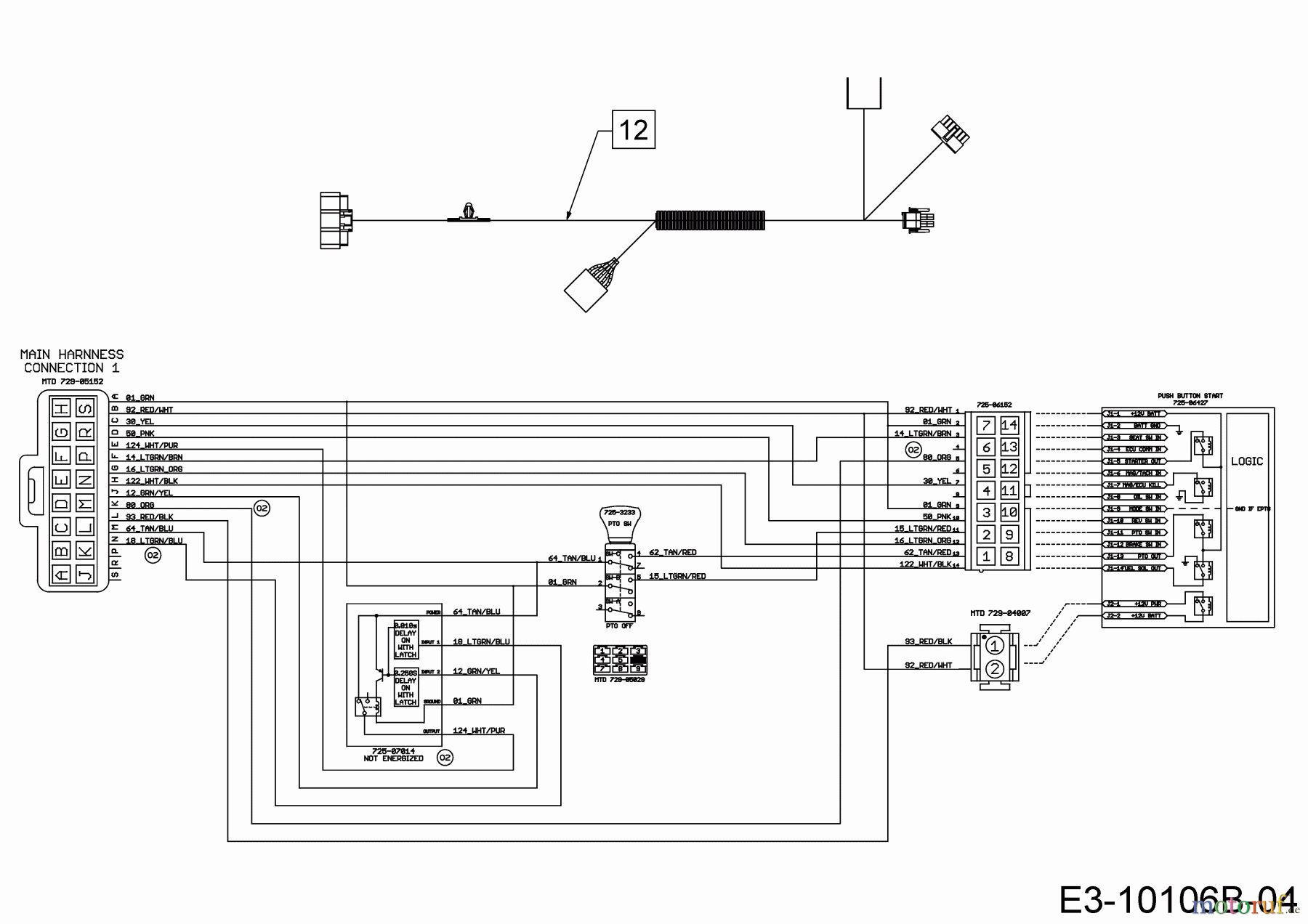
| 12 | 725-06994 | KABELBAUM:NX15RD:EPTO:PBS:DLR: | |


Qualitätsmanagement
Informieren Sie uns, wenn Sie einen Fehler gefunden haben.