Ersatzteile
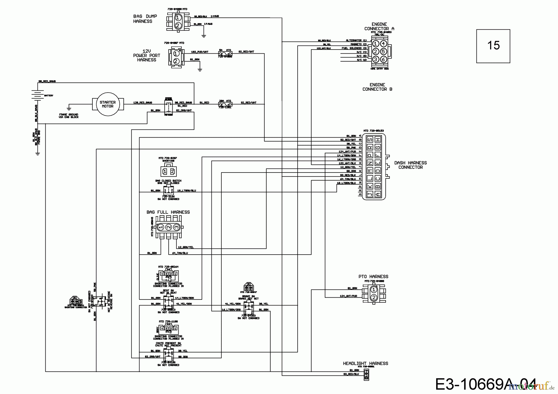
Hauptschaltplan 13QAA1VR650 (2020)

Ersatzteile für WOLF-Garten Geräte können Sie bei uns ganz einfach online kaufen. Wählen Sie das Ersatzteil über die Ersatzteilliste Ihres Gerätes aus.
| BildNr | Artikel Nummer | Bezeichnung | |
| 15 | 725-07449 | HAUPTKABELBAUM:NX15RD:EPTO:PBS | |

