Ersatzteile
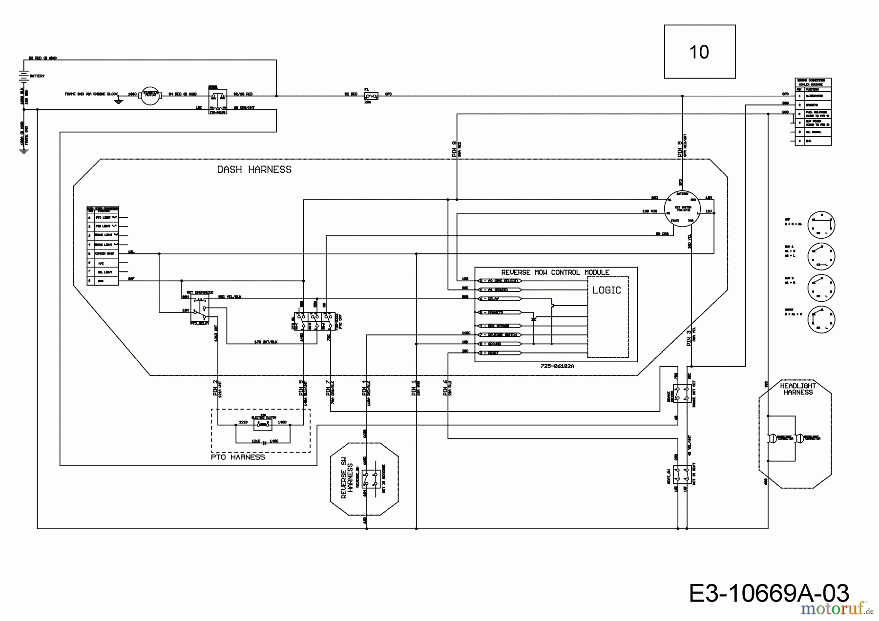
Schaltplan Elektromagnetkupplung 13PAA1VR650 (2019)

Ersatzteile für WOLF-Garten Geräte können Sie bei uns ganz einfach online kaufen. Wählen Sie das Ersatzteil über die Ersatzteilliste Ihres Gerätes aus.
| BildNr | Artikel Nummer | Bezeichnung | |
| 10 | 725-06173 | KABELBAUM (DRAHTBRÜCKE) EPTO | |


Qualitätsmanagement
Informieren Sie uns, wenn Sie einen Fehler gefunden haben.