Einkaufswagen
Mein Konto

Ersatzteile

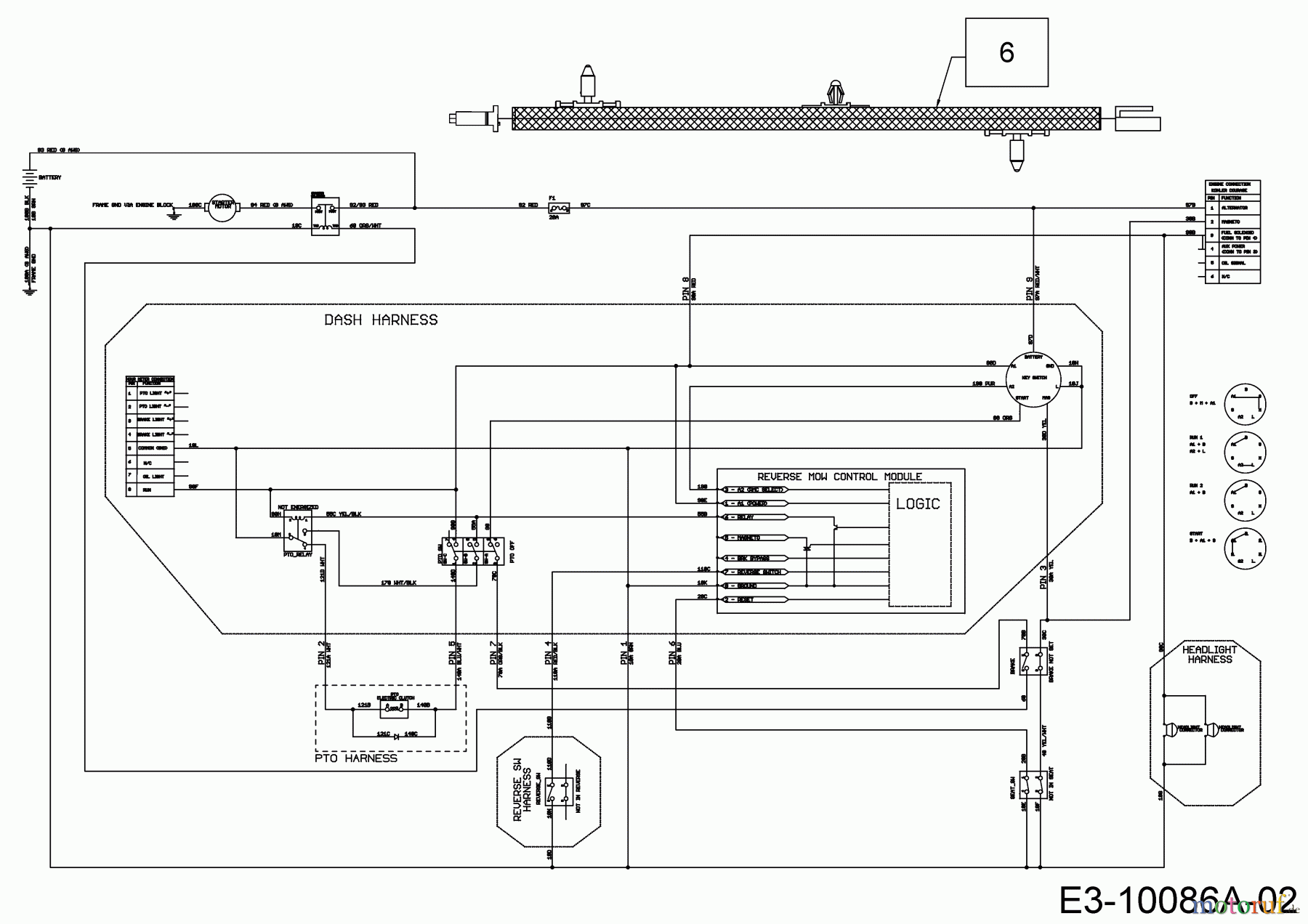
Schaltplan Elektromagnetkupplung 13BAA1VR650 (2019)

 Wolf-Garten Rasentraktoren 106.220 H 13BAA1VR650  (2019) Schaltplan Elektromagnetkupplung

Ersatzteile für WOLF-Garten Geräte können Sie bei uns ganz einfach online kaufen. Wählen Sie das Ersatzteil über die Ersatzteilliste Ihres Gerätes aus.

BildNrArtikel NummerBezeichnung
6 725-06173KABELBAUM (DRAHTBRÜCKE) EPTO
Bankeinzug, MasterCard, Visa, American Express, PayPal, Nachnahme, Vorauskasse, Sofortüberweisung