Ersatzteile
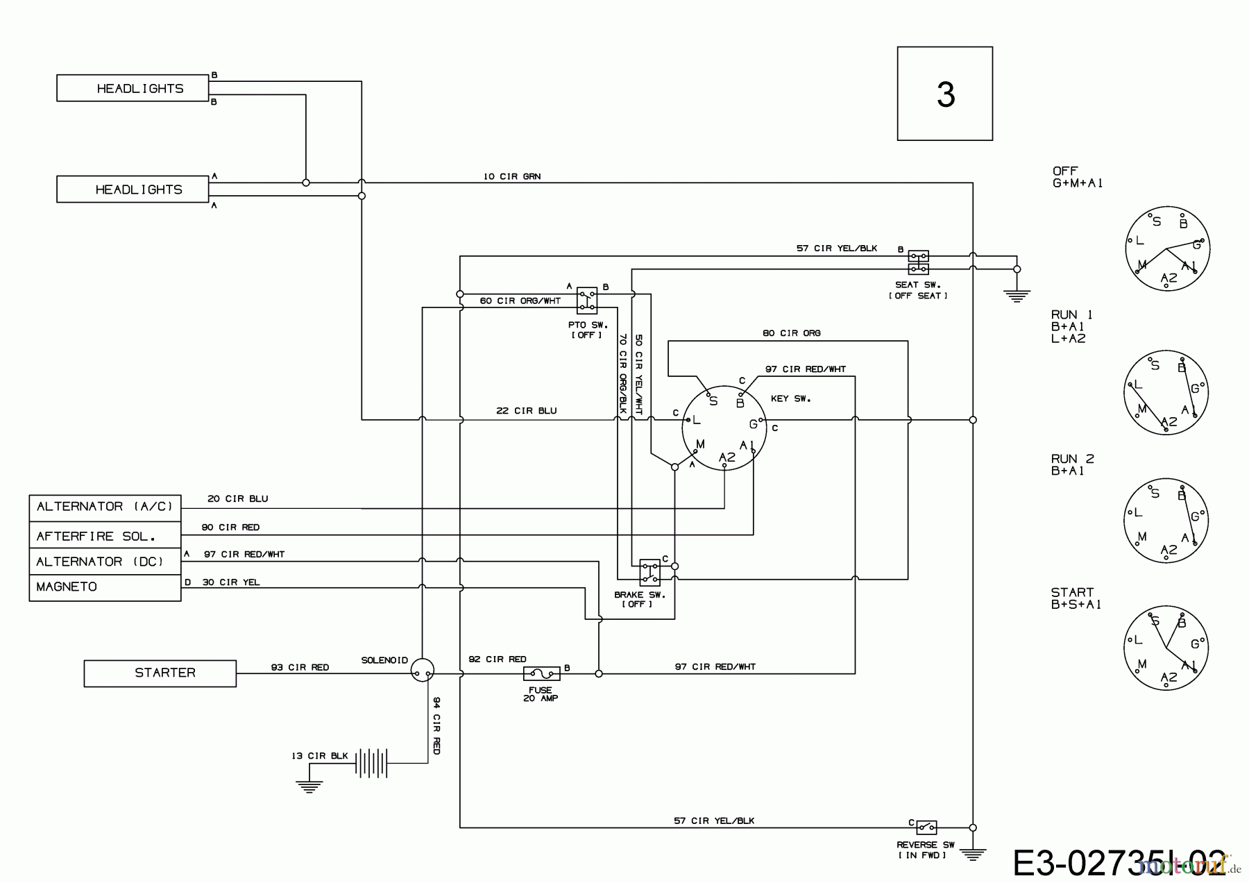
Schaltplan 13HH76WF650 (2019)

Ersatzteile für WOLF-Garten Geräte können Sie bei uns ganz einfach online kaufen. Wählen Sie das Ersatzteil über die Ersatzteilliste Ihres Gerätes aus.
| BildNr | Artikel Nummer | Bezeichnung | |
| 3 | 725-04433G | KABELBAUM:LT5:NO RMC:4-POS:B&S | |


Qualitätsmanagement
Informieren Sie uns, wenn Sie einen Fehler gefunden haben.