Ersatzteile
Messer 13HT71WN650 (2019)

Ersatzteile für WOLF-Garten Geräte können Sie bei uns ganz einfach online kaufen. Wählen Sie das Ersatzteil über die Ersatzteilliste Ihres Gerätes aus.
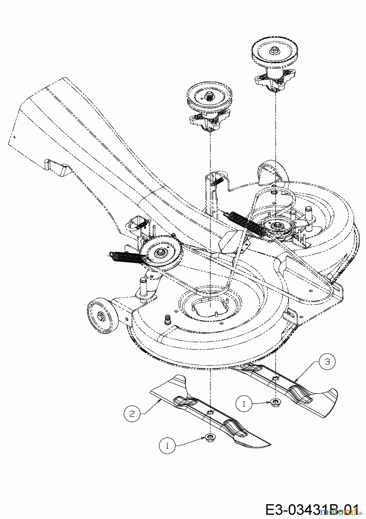
| BildNr | Artikel Nummer | Bezeichnung | |
| 1 | ![]() | 712-05134 | 6KT-BUNDMUTTER:5/8-18:GR2 |
| 2 | ![]() | 742-04080 | MESSER RECHTS 21.24":LOW LIFT |
| 3 | ![]() | 742-04081 | MESSER LINKS: 21.24":LOW LIFT |




