Ersatzteile
Mähwerksgehäuse 11A-LOSC650 (2020)

Ersatzteile für WOLF-Garten Geräte können Sie bei uns ganz einfach online kaufen. Wählen Sie das Ersatzteil über die Ersatzteilliste Ihres Gerätes aus.
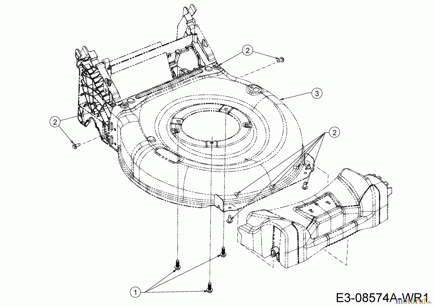
| BildNr | Artikel Nummer | Bezeichnung | |
| 1 | ![]() | 710-04683C | 6KT-SCHRAUBE:TT:3/8-16:1.000 |
| 2 | ![]() | 710-07434 | LINSENKOPFSCHR:8mm-3.59:20 |
| 3 | 787-03072CWR | MÄHWERKSGEHÄUSE 42CM 2IN1 | |


Qualitätsmanagement
Informieren Sie uns, wenn Sie einen Fehler gefunden haben.

