Ersatzteile
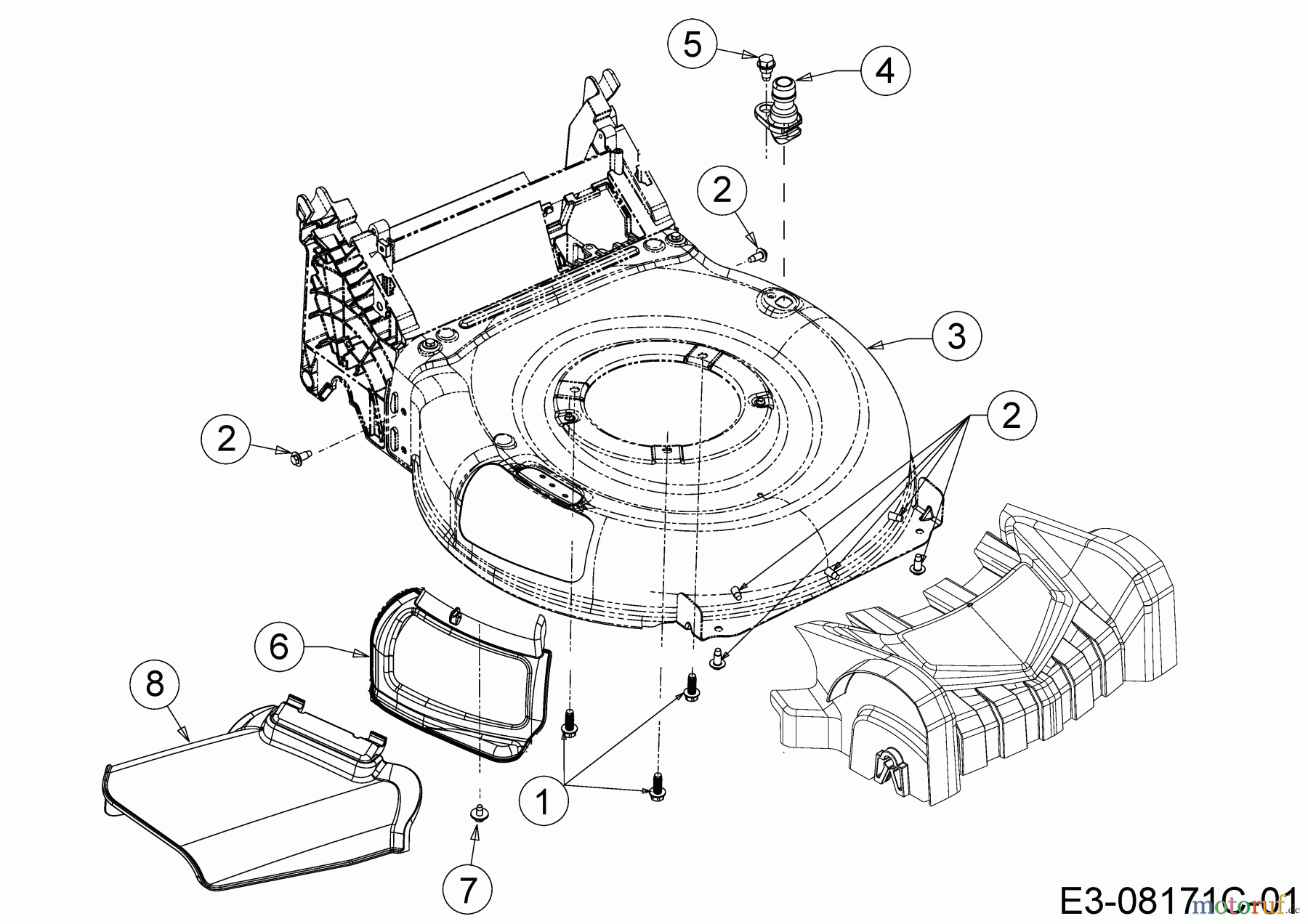
Deflektor, Mähwerksgehäuse, Mulchklappe, Waschdüse 12ABTV5E650 (2017)

Ersatzteile für WOLF-Garten Geräte können Sie bei uns ganz einfach online kaufen. Wählen Sie das Ersatzteil über die Ersatzteilliste Ihres Gerätes aus.


Qualitätsmanagement
Informieren Sie uns, wenn Sie einen Fehler gefunden haben.





