Ersatzteile
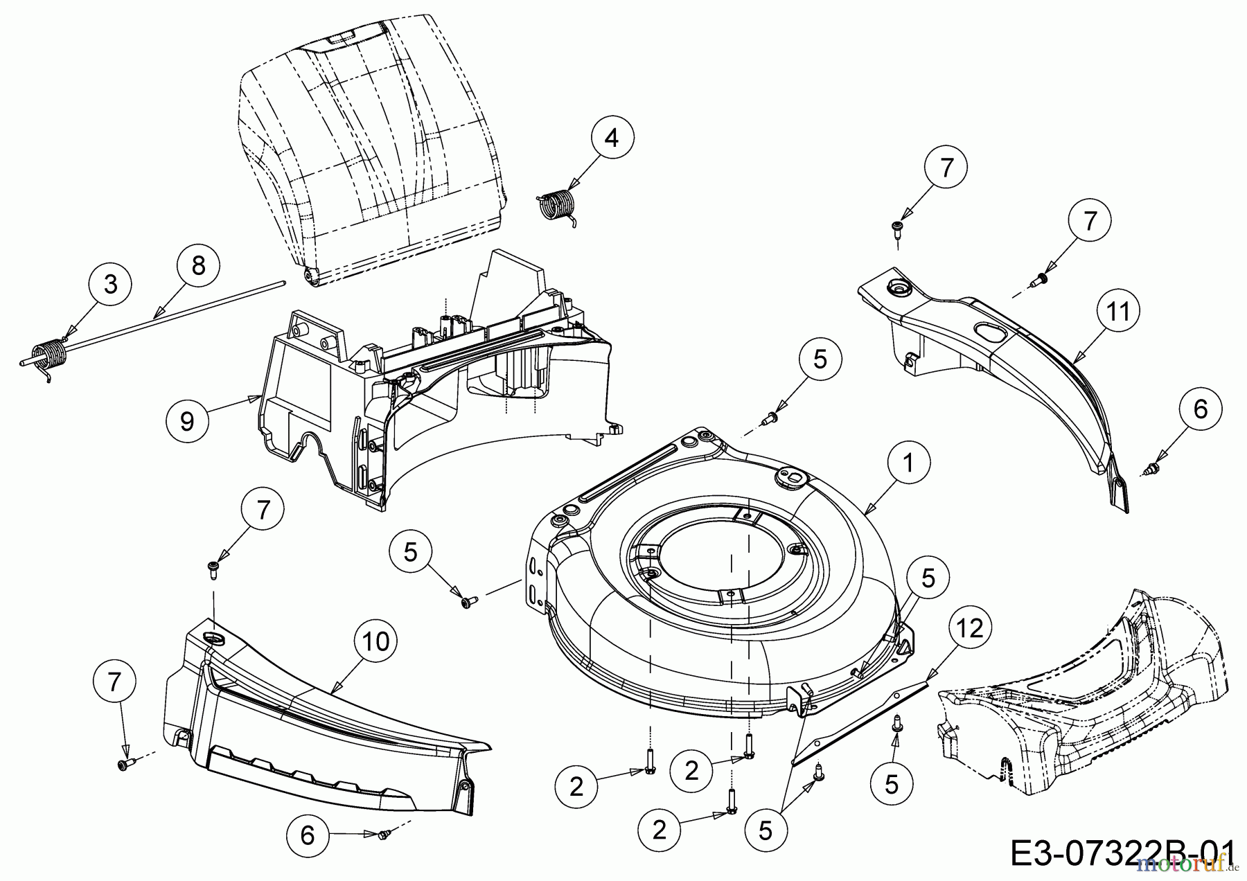
Leitstück hinten, Mähwerksgehäuse, Stange Heckklappe, Verkleidungen 12BVK15E650 (2016)

Ersatzteile für WOLF-Garten Geräte können Sie bei uns ganz einfach online kaufen. Wählen Sie das Ersatzteil über die Ersatzteilliste Ihres Gerätes aus.


Qualitätsmanagement
Informieren Sie uns, wenn Sie einen Fehler gefunden haben.

