Ersatzteile
Mähwerksgehäuse 12C-PRJ6650 (2019)

Ersatzteile für WOLF-Garten Geräte können Sie bei uns ganz einfach online kaufen. Wählen Sie das Ersatzteil über die Ersatzteilliste Ihres Gerätes aus.
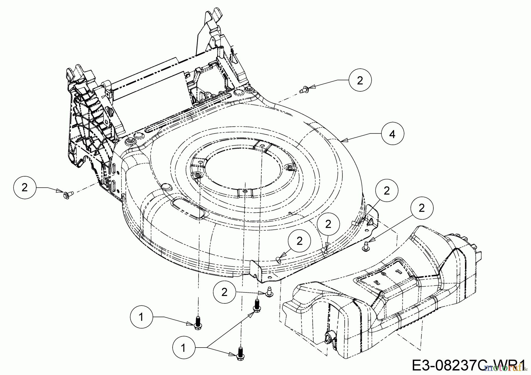
| BildNr | Artikel Nummer | Bezeichnung | |
| 1 | 710-04683A | 6KT-SCR:TT:3/8-16:1.000 | |
| 2 | ![]() | 710-05425 | SCHRAUBE 5/16-14:.750 |
| 4 | 787-03737-WR | MÄHWERKSGEHÄUSE 21" 2IN1 | |


Qualitätsmanagement
Informieren Sie uns, wenn Sie einen Fehler gefunden haben.
