Ersatzteile
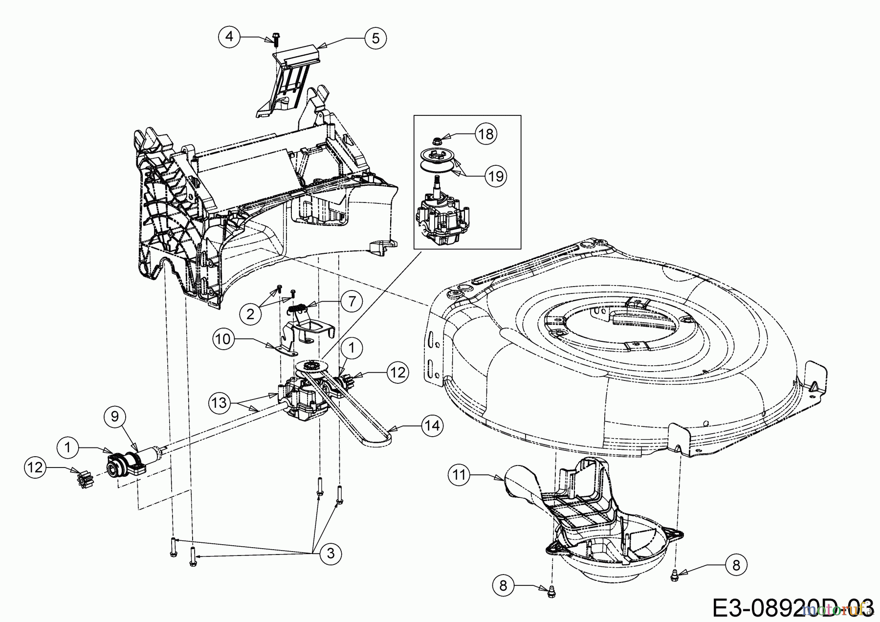
Getriebe, Keilriemen ab 15.04.2019 bis 07.05.2019 12BYTVB9650 (2019)

Ersatzteile für WOLF-Garten Geräte können Sie bei uns ganz einfach online kaufen. Wählen Sie das Ersatzteil über die Ersatzteilliste Ihres Gerätes aus.

Ersatzteile für WOLF-Garten Geräte können Sie bei uns ganz einfach online kaufen. Wählen Sie das Ersatzteil über die Ersatzteilliste Ihres Gerätes aus.
