Ersatzteile
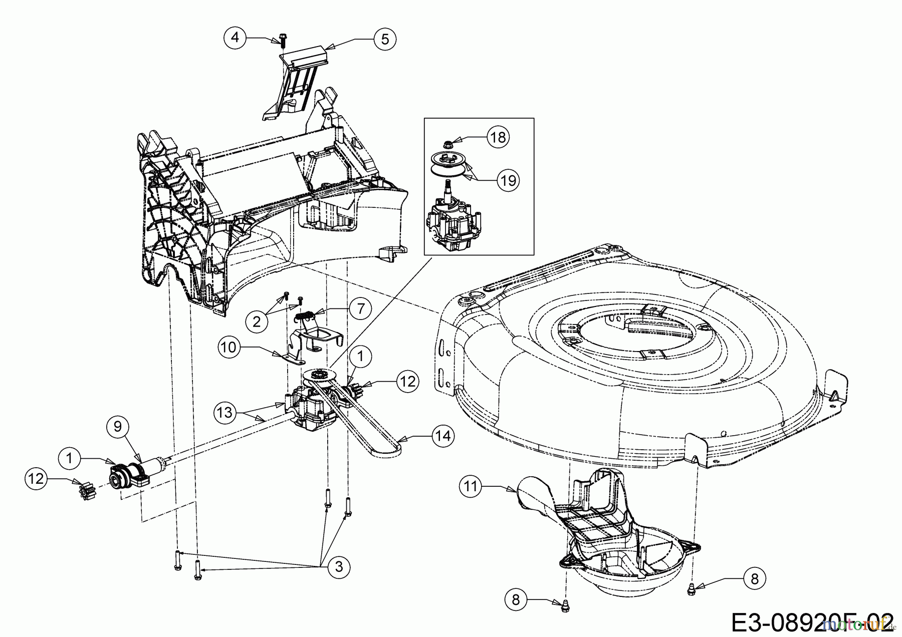
Getriebe, Keilriemen ab 01.07.2019 12BWTV5E650 (2019)

Ersatzteile für WOLF-Garten Geräte können Sie bei uns ganz einfach online kaufen. Wählen Sie das Ersatzteil über die Ersatzteilliste Ihres Gerätes aus.


Qualitätsmanagement
Informieren Sie uns, wenn Sie einen Fehler gefunden haben.







