Ersatzteile
Short Block 752Z1P61BHA (2010)

Ersatzteile für WOLF-Garten Geräte können Sie bei uns ganz einfach online kaufen. Wählen Sie das Ersatzteil über die Ersatzteilliste Ihres Gerätes aus.
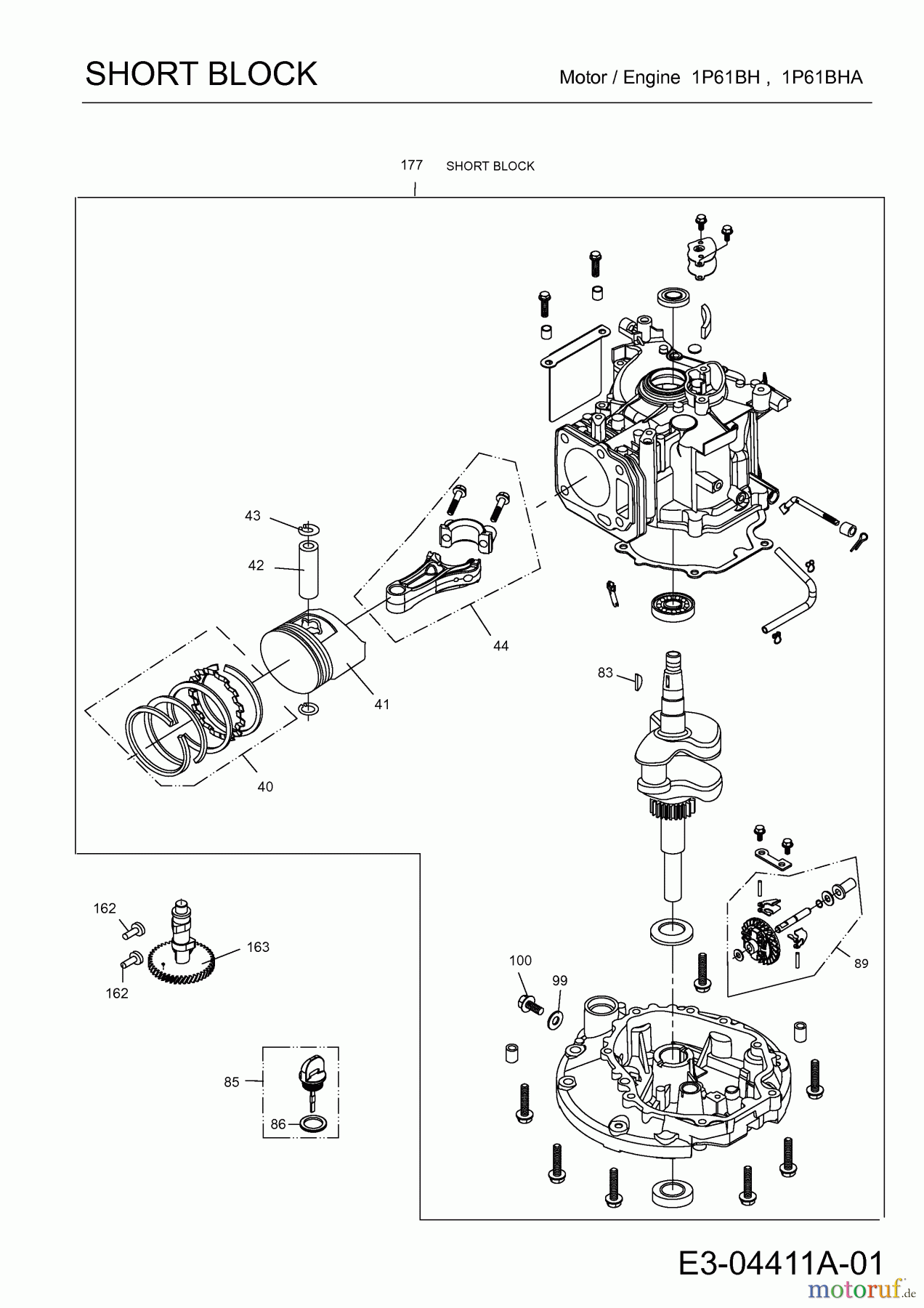
| BildNr | Artikel Nummer | Bezeichnung | |
| 83 | 751-10307 | KEIL (LÜFTERRAD) | |
| 85 | 751-10617 | OELMESSSTAB | |
| 86 | 092.49.545 | O-RING FÜR OELMESSSTAB | |
| 89 | 751-11549 | REGLER | |
| 99 | 751-10370 | ÖLABLASSSCHRAUBE + SCHEIBE 911 | |
| 100 | 751-10312 | ÖLABLASSSCHRAUBE | |
| 162 | 092.49.167 | STÖSSEL | |
| 163 | 751-11826 | NOCKENWELLE | |
| 177 | 751-11868 | SHORT BLOCK KPL. 1P61RH/BH /LS | |

