Ersatzteile
Elektrischer Anlasser 2037065 (2004)

Ersatzteile für WOLF-Garten Geräte können Sie bei uns ganz einfach online kaufen. Wählen Sie das Ersatzteil über die Ersatzteilliste Ihres Gerätes aus.
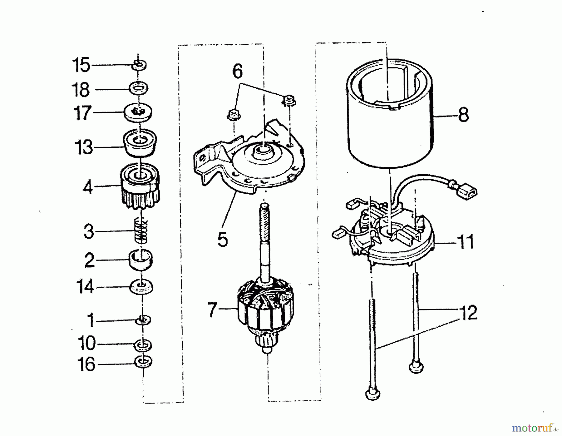
| BildNr | Artikel Nummer | Bezeichnung | |
| 1 | 2085504 | Sicherungsring | |
| 2 | 2082602 | KAPPE BR. F2 24290009 | |
| 3 | 2082603 | Feder | |
| 4 | 2082604 | Starterritzel | |
| 5 | 2082605 | Kappe | |
| 6 | 2082606 | Mutter | |
| 7 | 2085607 | Feder | |
| 8 | 2038309 | GEHÄUSE | |
| 10 | 2082608 | Druckscheibe | |
| 11 | 2082609 | Lagerdeckel mit Kohlen | |
| 12 | 2082610 | Bolzen | |
| 13 | 2082611 | Mitnehmerkonus | |
| 14 | 2082612 | SCHEIBE | |
| 15 | 2082613 | Sprengring | |
| 16 | 2082614 | SCHEIBE | |
| 17 | 2082615 | Mitnehmer | |
| 18 | 2082616 | SCHEIBE | |
| *** | 2085063 | Anlasser | |


Qualitätsmanagement
Informieren Sie uns, wenn Sie einen Fehler gefunden haben.