Ersatzteile
Ölwanne, Regler 2092000 (2006)

Ersatzteile für WOLF-Garten Geräte können Sie bei uns ganz einfach online kaufen. Wählen Sie das Ersatzteil über die Ersatzteilliste Ihres Gerätes aus.
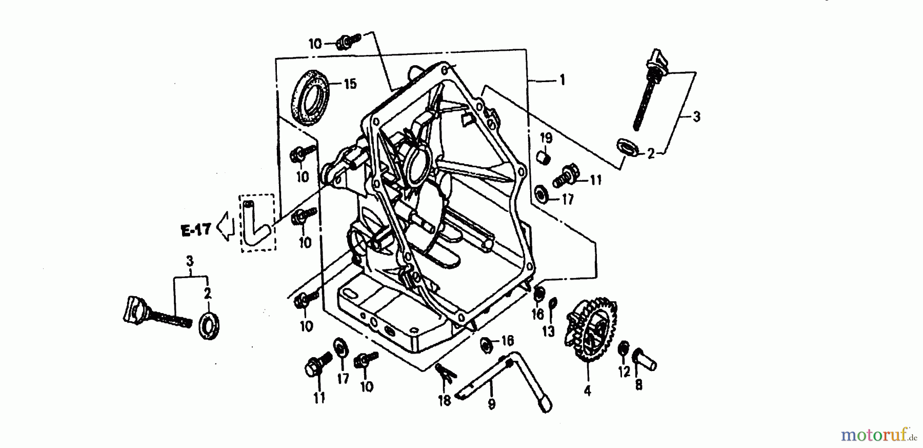
| BildNr | Artikel Nummer | Bezeichnung | |
| 2 | 2098310 | Dichtung-Me | |
| 4 | 2058151 | Reglerverzahnung | |
| 8 | 2098139 | Gleitbüchse | |
| 9 | 2058152 | Reglerarm | |
| 10 | 2098110 | Schraube | |
| 12 | 2098115 | Druckscheibe | |
| 13 | 2098117 | Klemme | |
| 15 | 2098319 | DICHTUNG H2 91202-ZL8-003 | |
| 16 | 2098123 | U-SCHEIBE H2 94101-06800 | |
| 17 | 2058154 | SCHEIBE | |
| 18 | 2098125 | Stift | |
| 19 | 2098126 | Paßstift | |

