Ersatzteile
Luftfilter 2092000 (2008)

Ersatzteile für WOLF-Garten Geräte können Sie bei uns ganz einfach online kaufen. Wählen Sie das Ersatzteil über die Ersatzteilliste Ihres Gerätes aus.
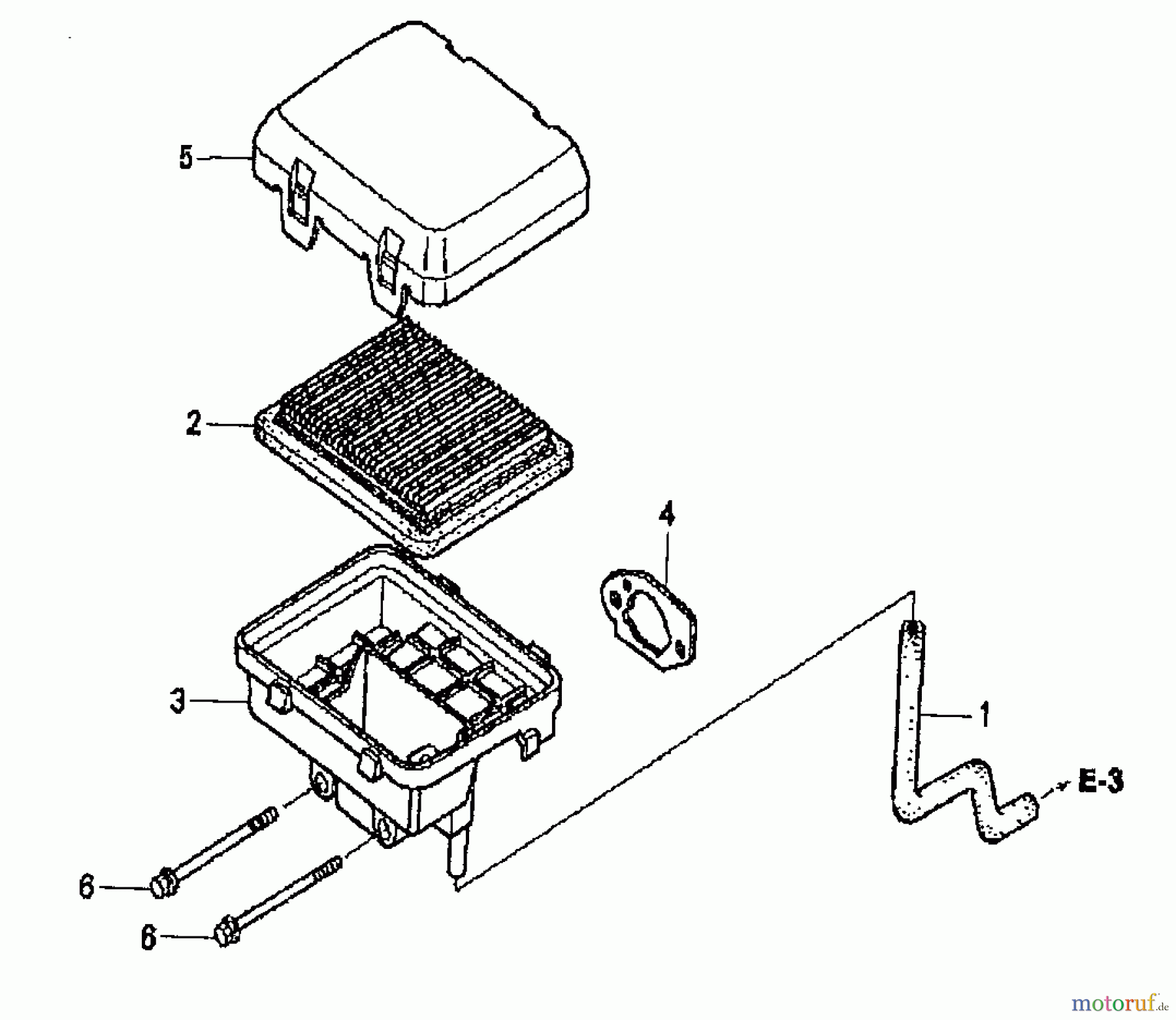
| BildNr | Artikel Nummer | Bezeichnung | |
| 1 | 2058212 | Luftschlauch | |
| 2 | 2058213 | Filtereinsatz H2 17211-ZL8-023 | |
| 3 | 2058214 | Filtergeh | |
| 4 | 2098317 | DICHTUNG | |
| 5 | 2058215 | Filterdeckel | |
| 6 | 2058216 | Schraube | |

