Ersatzteile
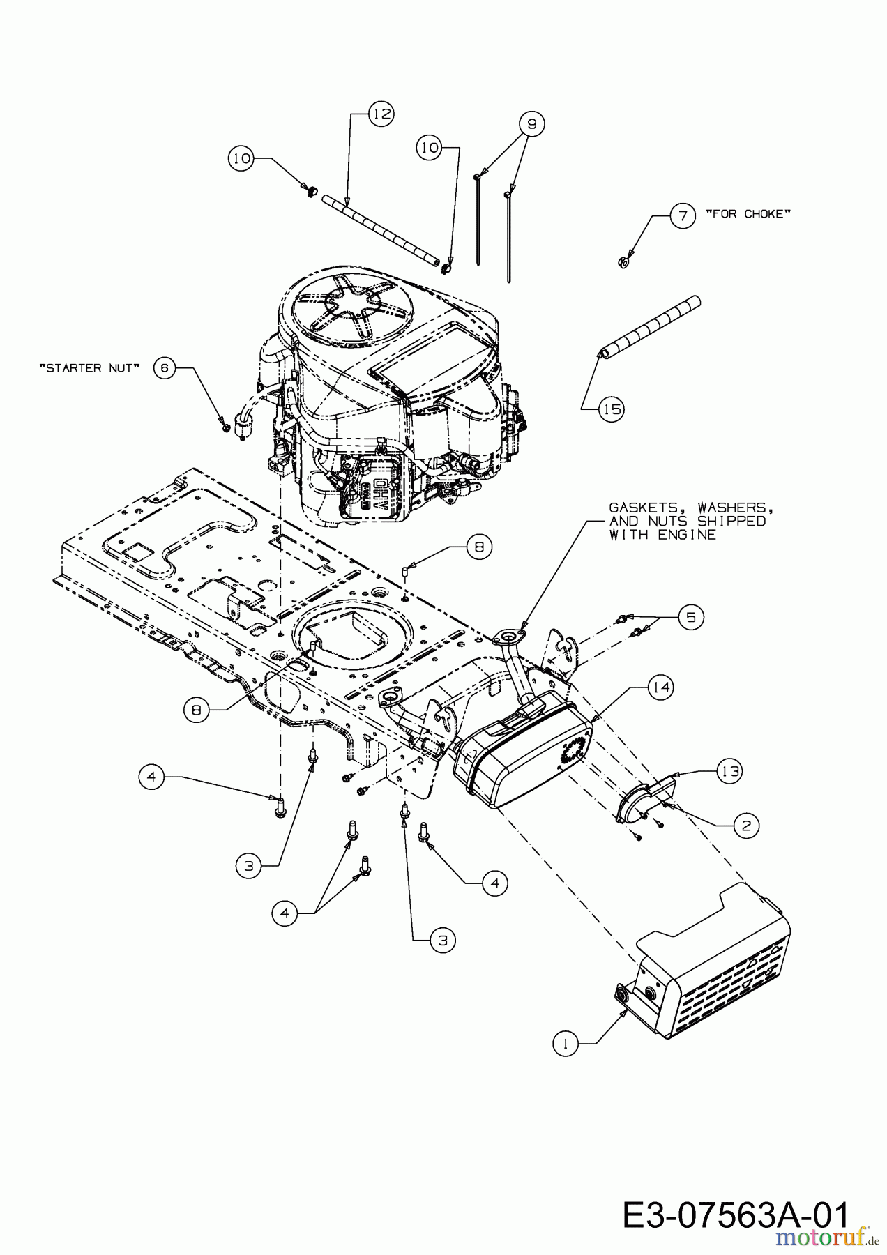
Motorzubehör 13AF91WI650 (2012)

Ersatzteile für WOLF-Garten Geräte können Sie bei uns ganz einfach online kaufen. Wählen Sie das Ersatzteil über die Ersatzteilliste Ihres Gerätes aus.

Ersatzteile für WOLF-Garten Geräte können Sie bei uns ganz einfach online kaufen. Wählen Sie das Ersatzteil über die Ersatzteilliste Ihres Gerätes aus.
