Einkaufswagen
Mein Konto

Ersatzteile

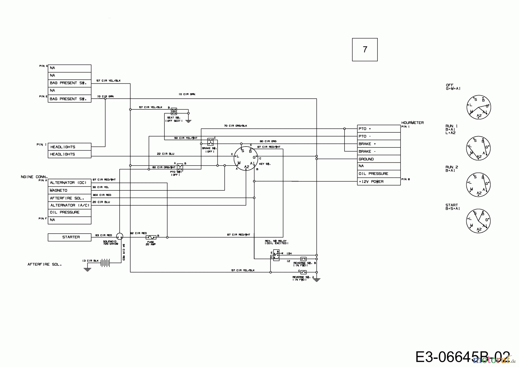
Schaltplan 13AY71WA650 (2012)

 Wolf-Garten Rasentraktoren Expert 76.130 H 13AY71WA650  (2012) Schaltplan

Ersatzteile für WOLF-Garten Geräte können Sie bei uns ganz einfach online kaufen. Wählen Sie das Ersatzteil über die Ersatzteilliste Ihres Gerätes aus.

BildNrArtikel NummerBezeichnung
7 725-05319AKABELBAUM:LT-5:4POS:B&S:TEC
Bankeinzug, MasterCard, Visa, American Express, PayPal, Nachnahme, Vorauskasse, Sofortüberweisung