Ersatzteile
Messer 13RH76RE650W (2013)

Ersatzteile für WOLF-Garten Geräte können Sie bei uns ganz einfach online kaufen. Wählen Sie das Ersatzteil über die Ersatzteilliste Ihres Gerätes aus.
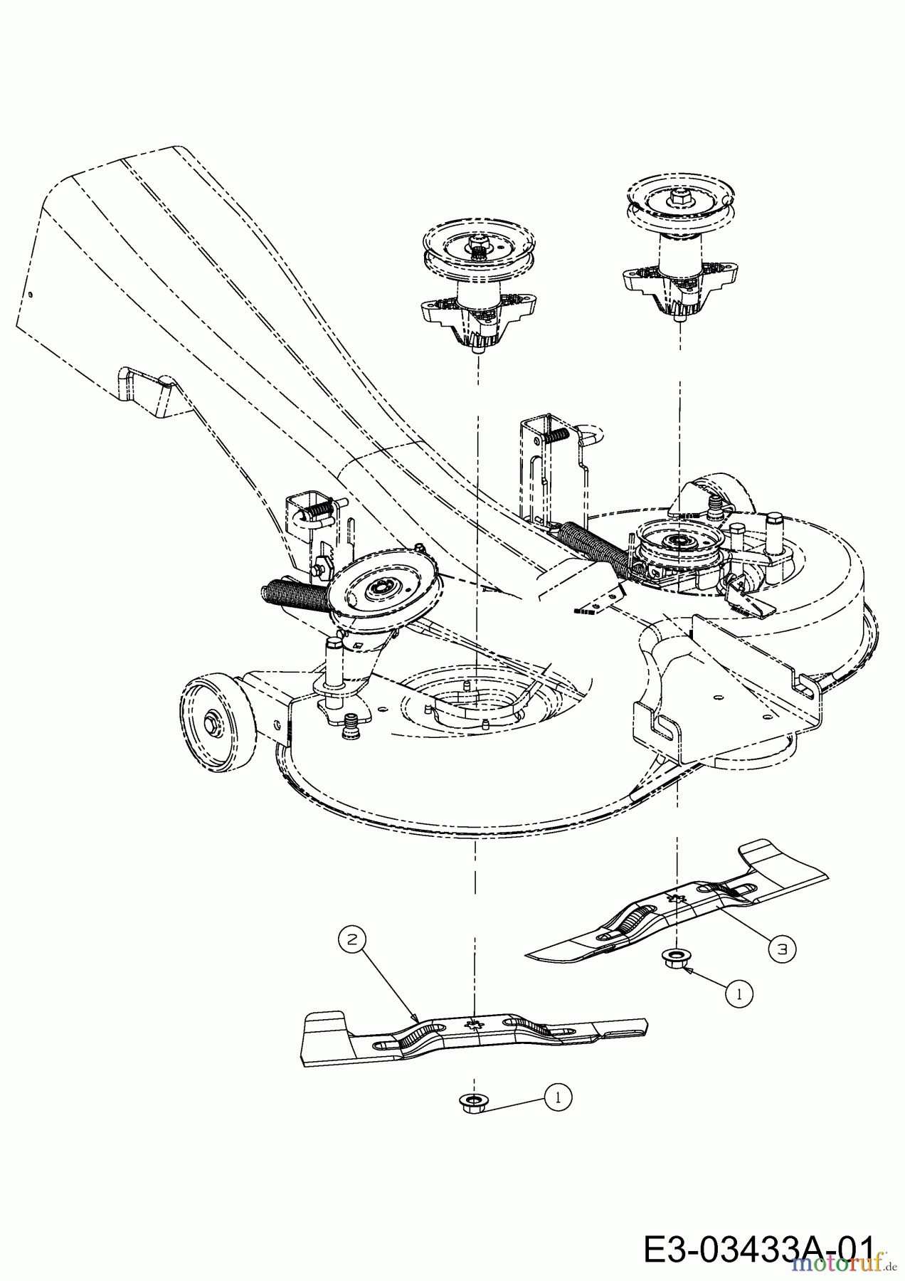
| BildNr | Artikel Nummer | Bezeichnung | |
| 1 | ![]() | 712-0417A | 6KT-MUTTER M.FLANSCH:5/8-18 |
| 2 | ![]() | 742-04020A | MESSER RECHTS 18.40":LOW LIFT |
| 3 | ![]() | 742-04021A | MESSER LINKS 18.40":LOW LIFT |




