Ersatzteile
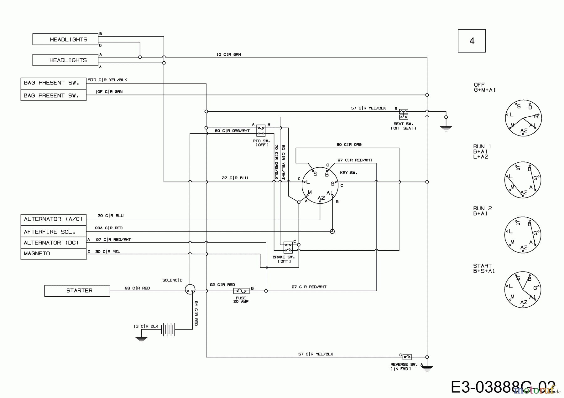
Schaltplan 13AH76RA650 (2013)

Ersatzteile für WOLF-Garten Geräte können Sie bei uns ganz einfach online kaufen. Wählen Sie das Ersatzteil über die Ersatzteilliste Ihres Gerätes aus.
| BildNr | Artikel Nummer | Bezeichnung | |
| 4 | 725-05502 | KABELBAUM:LT-5:4POS:B&S:TEC: | |

